|
Sportage Club - - дом, где живут Kia Sportage основан в 2006г. |
Внимание! В целях борьбы со спамом, новые пользователи НЕ могут начинать новые темы в форуме. Поэтому просьба задавать вопросы в уже существующих ветках, схожих по тематике. Надеемся на Ваше понимание.

Здравствуйте, гость ( Вход | Регистрация )
|
Индивидуальный подход, запчасти гарантированного качества, многолетний опыт, никакого официоза - дружеская атмосфера! |
Обновление программного обеспечения блока управления двигателем, добавит лошадей, крутящего момента, снизит расход. |
Чистые форсунки - залог хорошей работы двигателя. Мы проверяем и промываем форсунки на профессиональном стенде. |
| Серёга |
Jul 6 2010, 12:32 PM
Сообщение
#1
|
![]() Всепроходимец ![]() ![]() Группа: завсегдатый Сообщений: 58 Регистрация: 6-May 09 Пользователь №: 6,234 место дислокации: Дубна |
Вчера в очередной раз посадил аккумулятор забыв выключить фары
Поиском по форуму и в нете не нашел Кто решил для себя данную проблемку - просьба поделится с форумчанами -------------------- ____o_o
l_l_l\___\___ l----[o]==[o] l----==[--]== ()_)()_)--()_) |
![]() ![]() |
| alldn |
Aug 18 2010, 02:09 PM
Сообщение
#2
|
![]() властелин грязи ![]() ![]() ![]() ![]() ![]() ![]() ![]() ![]() ![]() ![]() Группа: завсегдатый Сообщений: 2,492 Регистрация: 25-July 08 Из: Тамбов Пользователь №: 5,555 место дислокации: Тамбовская обл, Тамбовский р-н. с. Богословка |
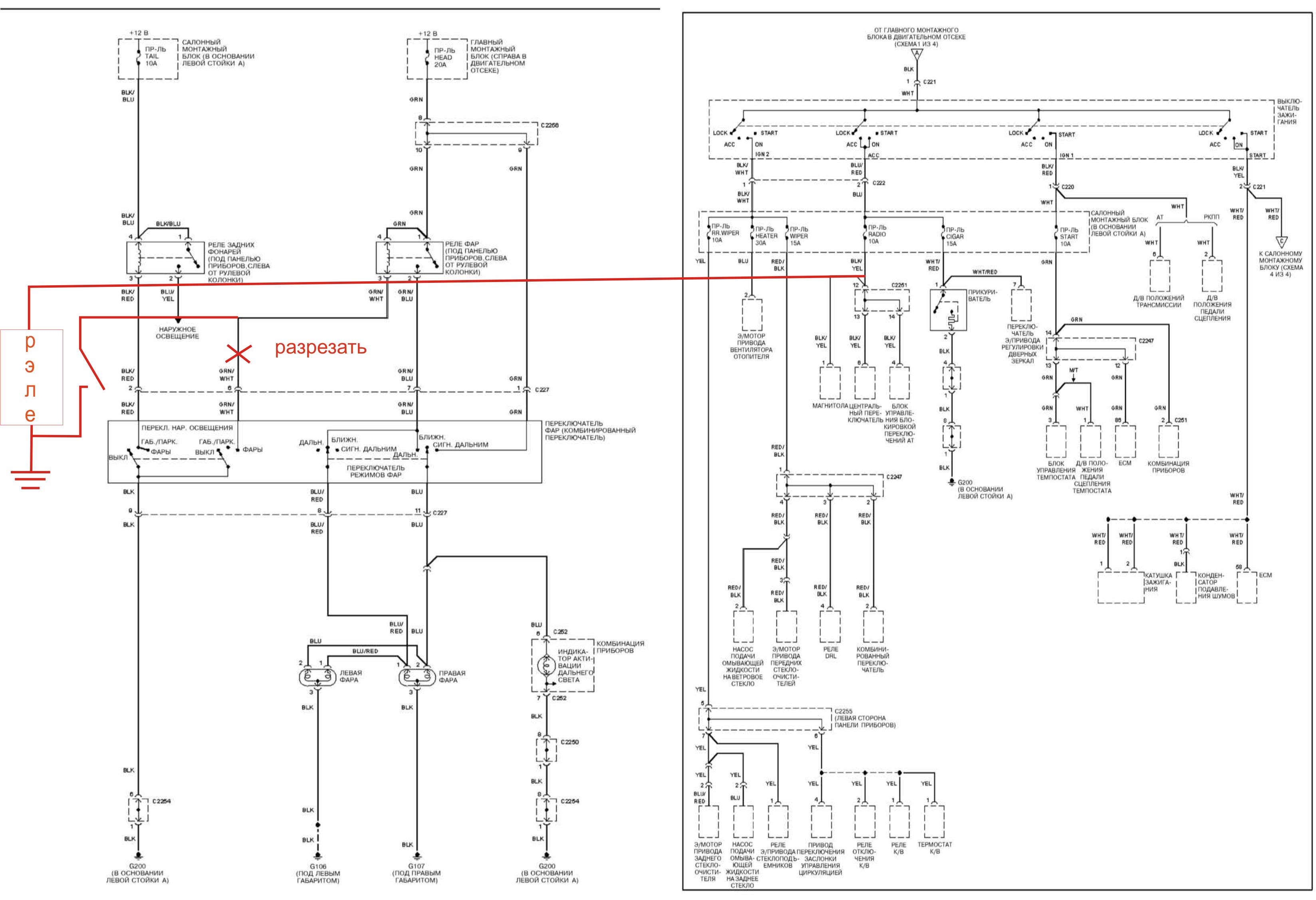
Все просто на самом деле, пока генератор не крутится плюс не подается, Не совсем так. На генераторе всегда есть напряжение. Он просто соединен с аккумулятором напрямую. Когда двигатель не заведен, напряжение на генераторе = 12.6 и равно напряжению аккумулятора. Когда двигатель заведен, генератор крутится, вырабатывает напряжение, оно выше напряжения аккумулятора, поэтому он и начинает заряжаться. Так что тут реле не поставишь. А почему фары на Ауди гаснут, когда машину глушишь - потому, что зажигание выключил. Была у меня Ауди-80, так там и было сделано. Т.е. начинаетм обсуждение по кругу. Нужно в разрыв общего провода питания фар (предохранитель "HEAD" под капотом) включить нормально разомкнутые контакты 50 амперного реле. А обмотку реле включить между корпусом и сигналом с замка зажигания. Подходящим сигналом является сигнал с предохранителя "RADIO" или "CIGAR"- прикуриватель. Либо просто взять напряжение с прикуривателя. В таком положении фары будут гореть только при первом или втором положении ключа. При выключенном зажигании или при запуске двигателя стартером фары будут выключены. Ну собственно именно так все и работает на других машинах. -------------------- |
| Борисыч |
Aug 18 2010, 09:54 PM
Сообщение
#3
|
![]() грязелюбитель ![]() ![]() ![]() Группа: завсегдатый Сообщений: 167 Регистрация: 12-December 06 Из: Тверская,г.Бежецк Пользователь №: 2,236 |
Т.е. начинаетм обсуждение по кругу. Нужно в разрыв общего провода питания фар (предохранитель "HEAD" под капотом) включить нормально разомкнутые контакты 50 амперного реле. А обмотку реле включить между корпусом и сигналом с замка зажигания. Подходящим сигналом является сигнал с предохранителя "RADIO" или "CIGAR"- прикуриватель. Либо просто взять напряжение с прикуривателя. В таком положении фары будут гореть только при первом или втором положении ключа. При выключенном зажигании или при запуске двигателя стартером фары будут выключены. Ну собственно именно так все и работает на других машинах. Я тут схемы посморел и думаю
_______1.bmp ( 449.27 килобайт )
Кол-во скачиваний: 208Скачивайте,смотрите,критикуйте! |
| Виктор |
Aug 19 2010, 10:25 AM
Сообщение
#4
|
![]() вне рангов Группа: завсегдатый Сообщений: 5,563 Регистрация: 27-August 07 Пользователь №: 3,072 место дислокации: Беларусь |
-------------------- Был 98г. 2.0 DOHC, бензин, МКПП
сейчас VW T5 Caravelle, 2008г., 2,0 бензин, МКПП |
| Yura |
Aug 19 2010, 10:49 AM
Сообщение
#5
|
![]() властелин грязи ![]() ![]() ![]() ![]() ![]() ![]() ![]() ![]() ![]() ![]() Группа: завсегдатый Сообщений: 1,254 Регистрация: 30-November 08 Из: г. Пенза Пользователь №: 5,774 место дислокации: г. Пенза |
У меня получилось то же самое. Я тогда не знал , где искать предохранители и новый провод подключил к плюсовому проводу самого прикуривателя. -------------------- KIA Sportage 1999г. 4WD DOHC 2л., автомат, американец.
|
Серёга Выключение света фар - при выключении зажигания Jul 6 2010, 12:32 PM
Fil@Sportyga
Вчера в очередной раз посадил аккумулятор забыв в... Jul 6 2010, 12:34 PM
contra
Кажется на форуме никто так не делал, но, чисто т... Jul 6 2010, 01:17 PM
Ярослав Мудрый подробнее, подробнее...ведь тема актуальна!... Jul 6 2010, 01:38 PM
alldn Давно хочу сделать такую доработку у себя. Да все ... Jul 6 2010, 01:50 PM
Виктор
Давно хочу сделать такую доработку у себя. Да все... Jul 6 2010, 08:27 PM
contra
Аналогично! :)
А я себе ранее установил отдел... Jul 6 2010, 08:47 PM
Серёга
Давно хочу сделать такую доработку у себя. Да все... Jul 6 2010, 02:03 PM
contra зачем тащить из под капота? 1й предохр. 10а - цепь... Jul 6 2010, 03:01 PM
alldn Причем здесь цепь габаритов. Нужно гасить фары. У ... Jul 6 2010, 03:08 PM
contra
Причем здесь цепь габаритов. Нужно гасить фары. У... Jul 6 2010, 04:14 PM
Ярослав Мудрый
Вот это очень верное замечание!!!... Jul 6 2010, 03:28 PM
Художник
Вчера в очередной раз посадил аккумулятор забыв в... Jul 6 2010, 04:14 PM
Mif 59
Так ведь должен зуммер сигнализировать о не выклю... Jul 6 2010, 04:30 PM

Художник
у меня, допустим, торботаймер, поскольку дизель, ... Jul 6 2010, 07:02 PM
contra
Так ведь должен зуммер сигнализировать о не выклю... Jul 6 2010, 05:33 PM
Серёга
Так ведь должен зуммер сигнализировать о не выклю... Jul 7 2010, 09:17 AM
Чих-Пых
Зуммер пищит и при открытой двери...
Можно попод... Jul 7 2010, 10:30 AM

Некто
При открытой двери зуммер пищит только если ключи... Aug 12 2010, 06:37 PM
Виктор
Зуммер пищит и при открытой двери...
Можно попод... Jul 7 2010, 10:52 AM
alldn
Странно, откуда же тогда запитана твоя магнитола?... Jul 6 2010, 10:32 PM
stalker
Вчера в очередной раз посадил аккумулятор забыв в... Jul 17 2010, 10:33 PM
111v111 Все делается просто и быстро
Сам мучаюсь от забывч... Jul 21 2010, 03:01 PM
alldn
Все делается просто и быстро
Сам мучаюсь от забыв... Jul 21 2010, 03:54 PM
Petroskoi Это вам надо поискать владельцев СГВ ХL-7 (америко... Jul 21 2010, 07:40 PM

contra
Это вам надо поискать владельцев СГВ ХL-7 (америк... Jul 21 2010, 08:00 PM


Petroskoi
Зачем? :dumai: :B093:
Дык, наверное за тем, шоб... Jul 21 2010, 08:11 PM


contra
Дык, наверное за тем, шобы "схемку" под... Jul 21 2010, 08:18 PM

111v111
Если правильно понял, еду я как обычно в темноте... Jul 22 2010, 10:28 AM

Petroskoi
Если правильно понял, еду я как обычно в темноте ... Jul 22 2010, 01:33 PM

ALECS
Я ж пишу: "Функция принудительного включения... Jul 22 2010, 02:16 PM
111v111
У меня сборка калиннград 2002 года, и предохранит... Jul 22 2010, 10:11 AM
alldn
У меня сборка калиннград 2002 года, и предохранит... Jul 22 2010, 10:56 AM
111v111
А дальний свет?
Насколько я помню и на него там ... Jul 23 2010, 09:44 AM
Сумрак А если питание реле взять от генератора? генератор... Aug 17 2010, 09:37 PM
Художник
А если питание реле взять от генератора? генерато... Aug 17 2010, 10:24 PM
korol
:oooh: Это что - то интересное!!! :du... Aug 17 2010, 10:34 PM
Художник
он наверно имел виду типа 2110,у них ближний врод... Aug 17 2010, 10:41 PM
korol
Так включенное зажигание это не значит, что двига... Aug 17 2010, 10:43 PM
Виктор
точно,вот знаю только что если перерезать провада... Aug 18 2010, 10:44 AM

korol
Не вводи народ в заблуждение своими странными поз... Aug 18 2010, 12:28 PM
191
масса с АБ идет через генератор,а там дальше
А м... Aug 18 2010, 10:49 AM
Сумрак
Все просто на самом деле, пока генератор не крут... Aug 18 2010, 01:34 PM
Виктор
Все просто на самом деле, пока генератор не крути... Aug 18 2010, 02:00 PM
111v111
Не совсем так. На генераторе всегда есть напряжен... Aug 18 2010, 03:32 PM

Виктор
...
Вот думаю надо свою схему переделать чтоб габ... Aug 18 2010, 04:02 PM

Художник
А как постоять вечерком на обочине?
Без габарито... Aug 18 2010, 05:27 PM

contra
А как постоять вечерком на обочине?
Без габарито... Aug 18 2010, 09:48 PM

111v111
А как постоять вечерком на обочине?
Без габарито... Aug 19 2010, 10:39 AM


rom77777rom
Зря ты так про камазистов у них балонник по-более... Aug 19 2010, 11:00 AM


Yura
......или с бензонасоса !?!!Он у нас... Aug 19 2010, 11:33 AM


rom77777rom
Это равно самоубийству в темное время суток. Реле... Aug 19 2010, 01:40 PM



Yura
Откуда такая инфа?
Из собственного опыта. Не зн... Aug 19 2010, 10:49 PM



111v111
Из собственного опыта. Не знаю как на других маши... Aug 20 2010, 11:35 AM



Yura
Каким образом это было определено?
Подключением... Aug 20 2010, 02:46 PM


contra
Это равно самоубийству в темное время суток. Реле... Aug 19 2010, 05:47 PM


111v111
Это равно самоубийству в темное время суток. Реле... Aug 19 2010, 10:06 PM


Художник
Это равно самоубийству в темное время суток. Реле... Aug 19 2010, 10:27 PM


Yura
:oooh: Так ведь движок заглохнет!?
Да загл... Aug 19 2010, 10:40 PM


contra
:oooh: Так ведь движок заглохнет!?
НЕ заглох... Aug 19 2010, 10:41 PM


Художник
НЕ заглохнет , оно же накатом, на передаче , если... Aug 19 2010, 11:15 PM


Yura
Я так понимаю, если накатом, то это на нейтрали ... Aug 19 2010, 11:39 PM


Художник
Накатом, я имел ввиду под горку, при включенной с... Aug 20 2010, 04:47 PM


Yura
:oooh: Ну ты мозголо-о-о-ом! :B162: :B162:... Aug 22 2010, 10:35 PM

дмитрий51
А как постоять вечерком на обочине?
Без габарито... Aug 19 2010, 12:06 PM
Борисыч
Мой вариант...
Подтверждаю- :B084: так проще... Aug 21 2010, 09:27 PM
Сумрак
теория без практики мертва:
Для того, чтобы генер... Aug 18 2010, 05:01 PM
alldn
такое чувство что Вы вообще не в курсе как работа... Aug 18 2010, 05:14 PM

Виктор
Да я вообще чайник.
Подумаешь - инженер конструкт... Aug 18 2010, 05:30 PM

Художник
Да я вообще чайник.
Подумаешь - инженер конструкт... Aug 18 2010, 05:39 PM
Виктор
теория без практики мертва:
Для того, чтобы генер... Aug 18 2010, 05:57 PM
alldn
С теорией у тебя нормально!
С практикой пока ... Aug 18 2010, 06:56 PM
Сумрак тем более странно читать посты инженеров, которые ... Aug 18 2010, 05:44 PM
Художник
тем более странно читать посты инженеров, которые... Aug 18 2010, 09:13 PM
Сумрак
Я не собираюсь никого ни в чем убеждать, специаль... Aug 18 2010, 06:54 PM
Борисыч А не проще открыть азбуку и посмотреть схему включ... Aug 18 2010, 08:28 PM
alldn Резюмируя наше бурное обсуждение могу сказать след... Aug 18 2010, 10:09 PM
Борисыч
Тут все правильно, но не у всех есть релюшки на ф... Aug 18 2010, 10:22 PM
contra И я добавлю. В мостике диодном есть шунтирующий вы... Aug 18 2010, 10:15 PM
Сумрак
Наверняка уважаемый в обществе Борис Васильевич, ... Aug 18 2010, 10:25 PM
Художник
Если Вам Борис Васильевич не понравилась моя иде... Aug 18 2010, 11:20 PM
rom77777rom
:oooh: :oooh: :oooh:
Во-первых. Цитируемые фраз... Aug 18 2010, 11:27 PM
Художник Размышления в слух!
На борту любого авто есть... Aug 18 2010, 10:42 PM
rom77777rom Большинство сигнализаций делает вместо положенного... Aug 18 2010, 11:09 PM
Yura Я над этим вопросом и не заморачивался. После поку... Aug 19 2010, 12:04 AM
Художник
Я над этим вопросом и не заморачивался. После пок... Aug 19 2010, 12:13 AM
Tim_kia Поделюсь и своим опытом. По порядку:
1. Сначала ме... Mar 26 2011, 10:27 AM
Igan Что за пищалка? Как выглядит, какие обозначения? Mar 28 2011, 03:55 AM
mister.tolma4ev я переделал так сначало поставил два реле под капо... Mar 28 2011, 08:32 AM
alldn
я переделал так сначало поставил два реле под кап... Apr 20 2011, 11:36 AM
mister.tolma4ev появилась ещё одна идея.управление на рэле взять с... Apr 20 2011, 10:39 AM
Vol@nd Думаю не надо изобретать велосипед. Наткнулся на т... Apr 21 2011, 10:40 AM
alldn Можно и такой поставить. Работы по подключению не ... Apr 21 2011, 11:07 AM
Vol@nd на сколько я понял, там реле и не обязательно, все... Apr 21 2011, 12:25 PM
ПростоЖ Умом понимал, что можно собрать на одной релюхе бе... Apr 21 2011, 01:14 PM
Виктор Еще один вариант...
Apr 21 2011, 06:56 PM![]() ![]() |
| Текстовая версия | Сейчас: 16th December 2025 - 09:39 AM |
|
|
|
|
|
|
| Invision Power Board Default Green Skin by Professional n00b |