|
Sportage Club - - дом, где живут Kia Sportage основан в 2006г. |
Внимание! В целях борьбы со спамом, новые пользователи НЕ могут начинать новые темы в форуме. Поэтому просьба задавать вопросы в уже существующих ветках, схожих по тематике. Надеемся на Ваше понимание.

Здравствуйте, гость ( Вход | Регистрация )
|
Индивидуальный подход, запчасти гарантированного качества, многолетний опыт, никакого официоза - дружеская атмосфера! |
Обновление программного обеспечения блока управления двигателем, добавит лошадей, крутящего момента, снизит расход. |
Чистые форсунки - залог хорошей работы двигателя. Мы проверяем и промываем форсунки на профессиональном стенде. |
| sva |
Dec 16 2009, 10:31 AM
Сообщение
#1
|
|
грязелюбитель ![]() ![]() ![]() Группа: завсегдатый Сообщений: 209 Регистрация: 24-March 08 Пользователь №: 4,796 место дислокации: Екатеринбург |
После запуска двигателя в -30, заметил что немного выдавило масло из-под масляного фильтра (по кромке), ну и вниз чуть капнуло. Это повод для беспокойства? Масло Mobil1 5W50, менялось меньше месяца назад, фильтр тоже. Sportage калининградский, 2006г.
-------------------- Sportage 2006 Калининград, короткий.
|
![]() ![]() |
| sagirov |
May 23 2011, 11:46 PM
Сообщение
#2
|
|
грязелюбитель ![]() ![]() ![]() Группа: завсегдатый Сообщений: 103 Регистрация: 9-May 10 Пользователь №: 7,873 место дислокации: Украина |
А я так и не понял, какое попадалово с прокладкой ГБЦ? Да уже за неполный год эксплуатации столько поменял, что -------------------- KNEJA5535W, декабрь 97г.в., 2.0 DOHC, бензин, МКПП (продал спортягу... состарился и с запчастями сложновато... эксплуатировал 3 года)
|
| Виктор |
May 24 2011, 10:13 AM
Сообщение
#3
|
![]() вне рангов Группа: завсегдатый Сообщений: 5,563 Регистрация: 27-August 07 Пользователь №: 3,072 место дислокации: Беларусь |
Да уже за неполный год эксплуатации столько поменял, что Прокладок поменял? Зачем? -------------------- Был 98г. 2.0 DOHC, бензин, МКПП
сейчас VW T5 Caravelle, 2008г., 2,0 бензин, МКПП |
| sagirov |
May 24 2011, 07:42 PM
Сообщение
#4
|
|
грязелюбитель ![]() ![]() ![]() Группа: завсегдатый Сообщений: 103 Регистрация: 9-May 10 Пользователь №: 7,873 место дислокации: Украина |
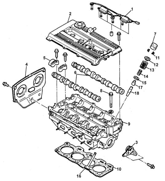
Прокладок поменял? Зачем? Да не-е-е-е, вообще всего много поменял и сделал... А прокладка крышки ГБЦ - это крышка которая №2 на схеме, как я понимаю? Эскизы прикрепленных изображений -------------------- KNEJA5535W, декабрь 97г.в., 2.0 DOHC, бензин, МКПП (продал спортягу... состарился и с запчастями сложновато... эксплуатировал 3 года)
|
sva Чуть давит масло Dec 16 2009, 10:31 AM
BFGoodrich
После запуска двигателя в -30, заметил что немног... Dec 16 2009, 10:38 AM
serg898 -... масло при таком морозе -очень густое и поэтом... Dec 16 2009, 03:20 PM
БОБ И на дворе не -30, а всего -18, а выдавило масло и... Dec 17 2009, 06:43 PM
Ильдар М
После запуска двигателя в -30, заметил что немног... Dec 20 2009, 07:30 PM
Ильдар М Провери осмотр, масло давит из сальника кален-вала... Dec 22 2009, 01:36 PM
kross
Провери осмотр, масло давит из сальника кален-вал... Dec 22 2009, 01:41 PM
Ильдар М
Сочить может долго. И при таком морозе немудрено... Dec 28 2009, 01:45 PM
serg898
На улице потеплело и вроде все нормально. Но вот ... Dec 28 2009, 11:51 PM
ВладБ Добрый день!
Подскажите по маслу - прежний хо... Dec 24 2009, 10:49 PM
serg898
Добрый день!
Подскажите по маслу - прежний х... Dec 25 2009, 12:39 AM
ВладБ Спасибо за совет! :B020: Dec 26 2009, 12:18 AM
kross Некотрые греют авто достаточно хорошо... некоторые... Dec 29 2009, 12:17 AM
serg898
Некотрые греют авто достаточно хорошо... некоторы... Dec 29 2009, 12:37 AM
brat po razumu Мысли вслух.
При понижении температуры увеличилась... Jan 6 2010, 12:44 PM
rkanev Все привет. Формучане подскажите что за беда у маш... Jan 28 2010, 11:52 AM
ghost
Все привет. Формучане подскажите что за беда у ма... Jan 28 2010, 12:21 PM
smilek ппц, а у меня и гур течет и еще маслицо откуда-то ... Jan 28 2010, 01:15 PM
Художник
... че может быть, откуда течет не знаю даже... п... Jan 28 2010, 04:30 PM
ghost
А когда масло менял, мимо горловины не плесканул?... Jan 28 2010, 04:39 PM
smilek Не, потекло когда мороза тарарахнули, по-этому на ... Jan 28 2010, 06:39 PM
Художник
Не, потекло когда мороза тарарахнули, по-этому на... Jan 28 2010, 07:49 PM
smilek Блин, а правда, где моя баночка с маслом, че-то я ... Jan 28 2010, 09:16 PM
Художник
Блин, а правда, где моя баночка с маслом, че-то я... Jan 28 2010, 10:36 PM
ghost
Это прикол или...? :dumai:
фотоотчёт забытой бан... Jan 29 2010, 03:22 AM
smilek Не, слава богу слабоумием меня не одарило, масло н... Jan 29 2010, 06:33 AM
ghost
Не, слава богу слабоумием меня не одарило, масло ... Jan 29 2010, 08:58 AM
Художник
Там же вроде была какая-то прокладка?..
Была и... Jan 29 2010, 01:55 PM
brat po razumu
Не, слава богу слабоумием меня не одарило, масло ... Jan 29 2010, 08:01 PM
smilek Ну блин, ладно, тысячи через 3 все-равно масло буд... Jan 29 2010, 09:12 AM
smilek
Не, у меня именно закапала когда мороза начились,... Jan 29 2010, 07:48 PM
ghost
Не, у меня именно закапала когда мороза начились,... Jan 29 2010, 07:58 PM
БОБ Давит (чуток) при -15 и ниже, а прогреется и все .... Jan 29 2010, 08:50 PM
ghost
Давит (чуток) при -15 и ниже, а прогреется и все ... Jan 29 2010, 10:30 PM
Художник
Давит (чуток) при -15 и ниже, а прогреется и все ... Jan 29 2010, 10:53 PM

ghost
Тезка, что - то уж больно витиевато изложено... Jan 29 2010, 11:18 PM


Художник
в мороз какбы резинка фильтра дубеет и сопливит..... Jan 29 2010, 11:35 PM


ghost
Да это все понятно! :D
Я вот про эту фразу:... Jan 29 2010, 11:44 PM


Художник
:ep: :ep: :ep: ... ет вы исчо в сервисах АРАДЖА... Jan 30 2010, 12:02 AM

БОБ
Тезка, что - то уж больно витиевато изложено... Jan 30 2010, 04:41 PM

Художник
"Брат по разуму" сказал , что выкинул ... Jan 30 2010, 08:22 PM

brat po razumu
"Брат по разуму" сказал , что выкинул ... Jan 30 2010, 08:30 PM
Meg@DED
... один сервисмен , при замене масла, не слив ма... Jan 23 2011, 03:58 PM
alexius из под заливной пробки не у кого не сопливит? Jan 30 2010, 03:59 PM
Sting 44 Ребята, не нашел я подходящей темы, напишу здесь.
... Dec 13 2010, 12:17 AM
игорь34
Ребята, не нашел я подходящей темы, напишу здесь.... Dec 13 2010, 12:30 AM
Sting 44
недавно делал движок все ставил на герметик,ни ка... Dec 13 2010, 12:35 AM
ХИЩНИК879 ТАКАЯ-ЖЕ байда.сегодня утром -32,заводил с трудом,... Jan 22 2011, 10:00 PM
BFGoodrich
ТАКАЯ-ЖЕ байда.сегодня утром -32,заводил с трудом... Jan 23 2011, 12:16 AM
ghost
СМысла нет менять. минус 32 град, там когда масло... Jan 23 2011, 12:37 AM
ХИЩНИК879
был у меня такой фокус в прошлом году.. как рвз п... Jan 23 2011, 12:20 PM
sagirov Всем здрассте! Помогите советом-капает масло. ... May 20 2011, 07:07 PM
ХИЩНИК879
Всем здрассте! Помогите советом-капает масло.... May 21 2011, 07:10 AM
Valeron 34
насчёт последней картинки:уплотнительное кольцо д... May 28 2011, 05:25 PM
МихаилТ
Доброго времени суток! Такая же беда! 2-3... May 28 2011, 05:46 PM

Valeron 34
переведи.... :blink: :dumai:
по датчику....защи... May 28 2011, 06:52 PM

игорь34
При замене ГБЦ датчик не трогал, т.е. уплотнитель... May 28 2011, 07:13 PM

Valeron 34
Датчик снимается за пять минут, немного не удобно... Jun 1 2011, 08:49 PM

ХИЩНИК879
Спасибо! :D Осталось только найти уплотнител... Jun 2 2011, 08:03 PM

Valeron 34
вот пришломожно и без герметика,но при замене нам... Jun 3 2011, 07:07 PM

игорь34
Почем брал? Я тоже заказал. Поставишь отпишись :B... Jun 3 2011, 09:34 PM

ХИЩНИК879
Почем брал? Я тоже заказал. Поставишь отпишись :B... Jun 5 2011, 05:36 PM

Valeron 34
а сам датчик-то здесь причём? :oooh: масло выдавл... Jun 7 2011, 09:30 PM

ХИЩНИК879
Кольцо пришло, 4 дня 100 руб. Буду пробовать меня... Jun 8 2011, 08:52 AM

Valeron 34
свечной?
Может немного не в тему :B093: (про св... Jun 9 2011, 10:11 PM

ХИЩНИК879
Может немного не в тему :B093: (про свечной). Зз... Jun 10 2011, 02:19 PM

Valeron 34
свечной на 16мм-по длине минимум см 15.у меня от ... Jun 10 2011, 10:02 PM

ХИЩНИК879
Спасибо! Пошел в магазин.
Датчик вытащил... Jun 10 2011, 10:29 PM

Valeron 34
слушай,а крышка клапанная снята у тебя?если снята... Jun 11 2011, 09:25 PM
sagirov
Доброго времени суток! Такая же беда! 2-3... May 30 2011, 08:52 PM
игорь34
Пока не менял. Течет 100% сальник коленвала, даже... May 30 2011, 08:58 PM
sagirov Спасибо за ответ. Только что с подъемника вернулся... May 21 2011, 01:33 PM
Виктор
Спасибо за ответ. Только что с подъемника вернулс... May 21 2011, 01:44 PM
ХИЩНИК879
Спасибо за ответ. Только что с подъемника вернулс... May 21 2011, 05:28 PM
sagirov А как убедится в исправности системы вентиляции ка... May 21 2011, 02:29 PM
Виктор
А как убедится в исправности системы вентиляции к... May 21 2011, 08:10 PM
sagirov
Это прежде всего Г-образный клапан, установленный... May 21 2011, 09:05 PM
sagirov
Это прежде всего Г-образный клапан, установленный... May 22 2011, 07:59 PM
Виктор
Снял крышку - она как на кипящей кастрюле :oooh: ... May 22 2011, 09:44 PM
sagirov
Нормально!
Дальше по плану:
1. замена прокла... May 23 2011, 05:47 PM
Виктор
Виктор, подскажи пожалуйста, если менять прокладк... May 23 2011, 06:56 PM
ХИЩНИК879
Виктор, подскажи пожалуйста, если менять прокладк... May 23 2011, 09:40 PM
sagirov
Желательно еще прокладку между выпускным коллекто... May 23 2011, 07:40 PM
sagirov
вот на СХЕМЕ :4-датчик распредвала, 10- уплотнит... May 23 2011, 10:20 PM
Виктор
Да, спасибо!!! Попадалово с прокладко... May 23 2011, 11:26 PM
ХИЩНИК879
Да, спасибо!!! Попадалово с прокладко... May 24 2011, 06:47 PM
sagirov
А может прокладка крышки ГБЦ?Это две разные прокл... May 24 2011, 07:58 PM
ХИЩНИК879
Да не-е-е-е, вообще всего много поменял и сделал.... May 24 2011, 08:03 PM
sagirov
2 на схеме сама крышка ГБЦ-она через прокладку кр... May 24 2011, 08:10 PM
sagirov Зарегистрировался! Веселенькая форма по цифрой... May 24 2011, 08:23 PM
ХИЩНИК879
Зарегистрировался! Веселенькая форма по цифро... May 24 2011, 08:29 PM
Boroda Всем доброго времени суток. Давит масло где то в з... Apr 21 2013, 03:44 PM
709
Всем доброго времени суток. Давит масло где то в ... Apr 21 2013, 04:29 PM
Boroda
Прокладка клапанной крышки,из-под датчика распред... Apr 21 2013, 09:48 PM
sportage2005 Скажите как правильно ставить уплотнительное кольц... Nov 22 2013, 10:37 AM
Виктор
Скажите как правильно ставить уплотнительное коль... Nov 22 2013, 12:10 PM
sportage2005
Так нет там вариантов! Кольцо стоит на самом ... Nov 22 2013, 01:05 PM![]() ![]() |
| Текстовая версия | Сейчас: 14th February 2026 - 10:19 PM |
|
|
|
|
|
|
| Invision Power Board Default Green Skin by Professional n00b |