|
Sportage Club - - дом, где живут Kia Sportage основан в 2006г. |
Внимание! В целях борьбы со спамом, новые пользователи НЕ могут начинать новые темы в форуме. Поэтому просьба задавать вопросы в уже существующих ветках, схожих по тематике. Надеемся на Ваше понимание.

Здравствуйте, гость ( Вход | Регистрация )
|
Индивидуальный подход, запчасти гарантированного качества, многолетний опыт, никакого официоза - дружеская атмосфера! |
Обновление программного обеспечения блока управления двигателем, добавит лошадей, крутящего момента, снизит расход. |
Чистые форсунки - залог хорошей работы двигателя. Мы проверяем и промываем форсунки на профессиональном стенде. |
| mrflx |
May 14 2013, 12:05 AM
Сообщение
#1
|
|
гряземяситель ![]() ![]() ![]() ![]() ![]() Группа: завсегдатый Сообщений: 345 Регистрация: 10-December 10 Пользователь №: 8,818 место дислокации: Владимир |
Итак имеем спортаж 2 литра 16 клапанов кореец 94 года акпп.
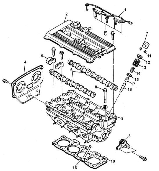
Притащили троящим безпощаднл но едущим своим ходом, если раскочегарить..... Помыли форсунки Сменили катушки и провода вв Сменили свечи Троит...пердит...никакой пэакции на педаль газа..... Дымит черным и пахнет бензом Насос сменили, фильтра тоже По чеку всё хорошо Ради интереса повезло смотреть грм.......а тааааммммм провис на 3 сантиметра, метки сбиты. Шкиф не смогли снять, выставили ВМТ 1го цилиндра, поставили валы впуск и выпуск, натянули ремень...... Струдом , но завелся начал реагировать на педальку и но плстреливает в выпуск. сняли шкив метра на звезде коленвала на 30 градусов левее вертикального положения....... выстввили грм по меткам.......не работает куда копать ?????? |
![]() ![]() |
| mrflx |
May 17 2013, 12:20 AM
Сообщение
#2
|
|
гряземяситель ![]() ![]() ![]() ![]() ![]() Группа: завсегдатый Сообщений: 345 Регистрация: 10-December 10 Пользователь №: 8,818 место дислокации: Владимир |
Ещё вопрос а где на 16 клап датчик положения коленвала и распредвала ?
|
| cladsl |
May 17 2013, 12:26 AM
Сообщение
#3
|
![]() вне рангов Группа: завсегдатый Сообщений: 9,502 Регистрация: 1-April 13 Пользователь №: 11,846 место дислокации: маристан |
|
mrflx троит пердит чихает стреляет May 14 2013, 12:05 AM
mrflx Никак не могу найти тему про ноль на управление фо... May 14 2013, 12:29 AM
mister.tolma4ev И на чертежик перехода на волгофорсы.
[/quote]
чер... May 14 2013, 05:26 AM
cladsl
чертежа нет идеш к токарю несёш две форсы он в... May 27 2013, 01:35 AM
mrflx Спасибо за картинку.
А по поводу перелива есть мне... May 14 2013, 08:36 AM
mrflx Итак на сегодня имеем коленвал выставленный по вмт... May 27 2013, 12:59 AM
oRDoSS
Во, а можно поподробнее в этом месте. А то токарь... May 27 2013, 01:25 AM
mister.tolma4ev
т.е. вот эти бошевские получаеца с переходниками ... May 27 2013, 05:31 AM
cladsl
да встают,у меня на двух машинах стоят.
какие им... May 27 2013, 06:17 AM
mister.tolma4ev идеш в магазин и спрашиваеш бошевские форсы на вол... May 27 2013, 08:08 PM
mrflx лучше бош, сименсы летят быстрее и боши в рампе но... May 27 2013, 11:27 PM
mrflx по теме по чеку ошибка 28-клапан егр May 28 2013, 01:32 AM
Joker :B020: тут тема про замену была:
http://www.sport... Jun 10 2013, 06:53 AM![]() ![]() |
| Текстовая версия | Сейчас: 31st January 2026 - 04:03 AM |
|
|
|
|
|
|
| Invision Power Board Default Green Skin by Professional n00b |