|
Sportage Club - - дом, где живут Kia Sportage основан в 2006г. |
Внимание! В целях борьбы со спамом, новые пользователи НЕ могут начинать новые темы в форуме. Поэтому просьба задавать вопросы в уже существующих ветках, схожих по тематике. Надеемся на Ваше понимание.

Здравствуйте, гость ( Вход | Регистрация )
|
Индивидуальный подход, запчасти гарантированного качества, многолетний опыт, никакого официоза - дружеская атмосфера! |
Обновление программного обеспечения блока управления двигателем, добавит лошадей, крутящего момента, снизит расход. |
Чистые форсунки - залог хорошей работы двигателя. Мы проверяем и промываем форсунки на профессиональном стенде. |
| Андрей 52 |
Nov 15 2013, 10:33 PM
Сообщение
#1
|
![]() грязелюбитель ![]() ![]() ![]() Группа: завсегдатый Сообщений: 142 Регистрация: 18-July 13 Из: Нижний Новгород Пользователь №: 12,229 место дислокации: Орловские Дворики, Сормово |
Всех приветствую. Очень надеюсь на вашу помощь.
Беда такая - несколько дней назад, простояв всего несколько часов, машина отказалась заводиться. Стартер крутит как умалишённый, а реакции никакой. Понял, что молчит бензонасос, танцы с бубном проводить не стал, а оттащил сразу на диагностику. Там обрадовали, что проблема в мозгах: кроме бензонасоса не идёт сигнал ни на свечи ни на форсунки. К мозгам всё приходит, на выходе ничего. Снял мозги, отвёз сегодня к мозгоправу, тот позвонил, сказал, что мозги исправны полностью, с ними другой двигатель завёлся. Собственно вопрос, куда лезть и чего щупать? Читал в другой теме, что аналогичная проблема может быть из-за иммобилайзера. На моей машине иммо нет и никогда не было, есть только штатная сигналка, которая "просыпается" когда дверь закрываю ключом, и ещё есть "Старлайн" без каких либо блокировок чисто на закрыть-открыть. -------------------- Кореец "коротыш" с ГБО 2000 г.в. продан в 2013 году
Гранд каловский 2002 г.в. продан в 2014 году Сейчас не на Спортаже |
![]() ![]() |
| Irbis76 |
Nov 16 2013, 01:17 PM
Сообщение
#2
|
![]() Обитатель грязи! ![]() ![]() ![]() ![]() ![]() ![]() ![]() Группа: завсегдатый Сообщений: 648 Регистрация: 24-September 11 Пользователь №: 9,970 место дислокации: Москва, Братеево |
Тут только одно остается: проверять всю электрику по порядку.
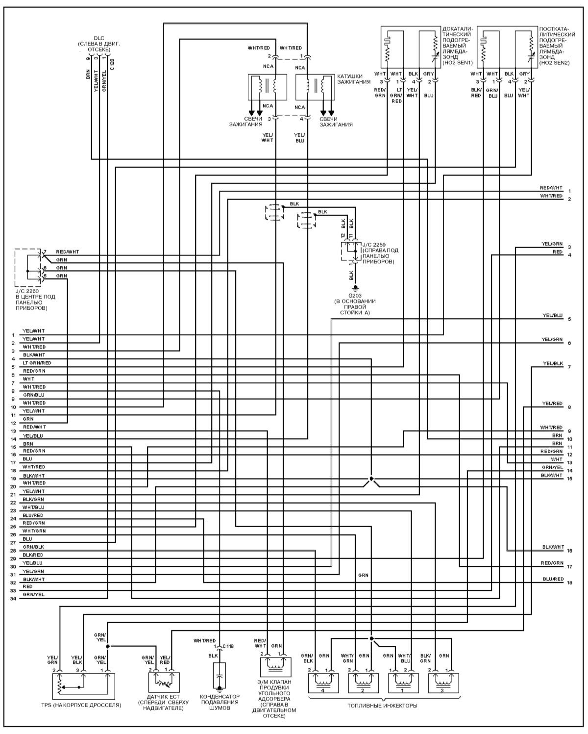
1) Найти схему проводки под свои мозги (см FAQ) 2) Проверить, приходят ли на колодку мозгов согласно распиновки плюсы питания и минуса с корпуса. 3) Проверить исправность всех предохранителей, отвечающих за питание основных цепей, мозгов в первую очередь. 4) Проверить при включеном зажигании, приходят ли напряжения на датчики ДПКВ, ДМРВ и т.д.; в косу форсунок. Так что тестер в руки и алга, ну или хороший автоэлектрик в помощь. Вот схема 88пиновых мозгов: -------------------- |
Андрей 52 Машина не заводится... Nov 15 2013, 10:33 PM
609 1) что за машина? какой год?
2) искра есть?
3) есл... Nov 15 2013, 10:38 PM
Андрей 52
1) что за машина? какой год?
2) искра есть?
3) ес... Nov 16 2013, 12:56 AM
korol
1).Машина в подписи. Кореец, коротыш, 2000г., авт... Nov 16 2013, 08:15 AM
Андрей 52
если на мозги приходит, то ищи искру.
Выхода с мо... Nov 16 2013, 11:34 AM
709 ДПКВ глядел? :B200: Nov 15 2013, 10:38 PM
609
ДПКВ глядел? :B200:
см 2) :) Nov 15 2013, 10:40 PM
Ден2 А на автомате блокировка запуска, когда рычаг не н... Nov 15 2013, 10:50 PM
609 А на автомате блокировка запуска, когда рычаг не н... Nov 15 2013, 10:55 PM
Irbis76 Может ремень грм посмотреть? Если стартер крутится... Nov 15 2013, 11:27 PM
Тихоня33 Была похожая ситуация. При включении зажигания чек... Nov 16 2013, 08:53 AM
Panzer38 А в блоке предохранителей под капотом все предохра... Nov 16 2013, 02:21 PM
Андрей 52 Сегодня забрал у мозгоправа мозги, он настаивает, ... Nov 16 2013, 05:51 PM
Matew Полтора года назад была схожая проблема. Не помню,... Nov 18 2013, 11:14 AM
Андрей 52
Полтора года назад была схожая проблема. Не помню... Nov 18 2013, 12:45 PM
Андрей 52 Всё, победили!!! Причина оказалась в Д... Nov 19 2013, 09:14 AM
Катеринка Наступили холода (первая изморозь) и машина не зав... Nov 20 2013, 02:32 PM
Виктор
Наступили холода (первая изморозь) и машина не за... Nov 20 2013, 02:43 PM
Катеринка
Катеринка, а на аватарке твое фото? :rolleyes:
П... Nov 20 2013, 02:56 PM
Виктор
Да, мое, только при чем тут это
Не при чем! ... Nov 20 2013, 03:21 PM
Катеринка
Не при чем! Но общатся стало как-то приятнее.... Nov 20 2013, 03:24 PM
Sgt. Owl Фройляйн, мои извинения, но машинка-то какая у вас... Nov 20 2013, 03:50 PM
Катеринка
Фройляйн, мои извинения, но машинка-то какая у ва... Nov 20 2013, 05:01 PM
woodgoblin Kia sportage, 2011г., комплекция premium, полный п... Nov 20 2013, 05:26 PM
Виктор
... По новому-новому Спортяжке спецов здесь .... ... Nov 20 2013, 06:26 PM
Катеринка
Да че уж там! Нет их здесь! :B128:
Крут... Nov 20 2013, 08:16 PM
woodgoblin Круть.. так и думала Гранда надо было брать :rule... Nov 20 2013, 08:25 PM
609
Так-то в столице клубный сервис есть, там бы этог... Nov 20 2013, 09:19 PM
Asyl У меня тоже не заводится сначало стартер крутил во... Feb 25 2014, 10:17 PM
Андрей 52 У меня опять какая то хрень с запуском приключилас... Feb 25 2014, 11:09 PM
Matew Либо датчик положения коленвала :unsure: Feb 26 2014, 08:36 AM
Asyl Как его проверить и есть его код и чем можно заме... Feb 26 2014, 05:14 PM
Андрей 52
Как его проверить и есть его код и чем можно зам... Feb 27 2014, 07:29 PM
Matew бензонасос должен давить 3-4 атмосферы. Но даже ес... Feb 28 2014, 11:27 AM
Андрей 52
бензонасос должен давить 3-4 атмосферы. Но даже е... Feb 28 2014, 05:33 PM
Виктор
Эта сволочь то включается то нет. Но только после... Feb 28 2014, 05:44 PM
Андрей 52
Добавлю еще две версии:
1. плохой контакт массы н... Mar 3 2014, 02:15 PM
Asyl Пришлосьпоменять бинзоносос так как на него давно ... Mar 3 2014, 07:35 PM
Андрей 52
Пришлосьпоменять бинзоносос так как на него давно... Mar 3 2014, 07:41 PM
Андрей 52 Блин, сегодня опять не завелась :B093:
Чё делать ... Mar 4 2014, 02:09 PM
Виктор
Блин, сегодня опять не завелась :B093:
Чё делать... Mar 4 2014, 06:58 PM

Андрей 52
А может сигналка глючит?
Сигналки нет вообще
В... Mar 4 2014, 09:26 PM
Александр 533
Блин, сегодня опять не завелась :B093:
Чё делать... Mar 4 2014, 08:32 PM
Андрей 52 Неее, эта машина меня до инфаркта доведёт. Сегодня... Mar 6 2014, 10:50 AM
Андрей 52 Сменил ДПКВ, буду наблюдать. Может ещё у кого каки... Mar 6 2014, 07:04 PM
yrok Добрый День!
Как машинка заводиться после зам... Mar 10 2014, 10:11 PM
Андрей 52
Добрый День!
Как машинка заводиться после за... Mar 11 2014, 08:52 AM
valmont Как успехи после замены дпкв?
Я недавно купил новы... Mar 31 2014, 09:29 PM
Андрей 52
Как успехи после замены дпкв?
Я недавно купил нов... Apr 1 2014, 07:52 PM
valmont Поставил дпкв от волги 406, производство Пенза, за... Apr 2 2014, 07:00 PM
myxalov6
Поставил дпкв от волги 406, производство Пенза, з... Apr 2 2014, 08:02 PM
Portos-Serega Спортаж 2001; бенз; 2 л; 16 кл; мкп:
После замены ... Jun 14 2015, 12:59 AM![]() ![]() |
| Текстовая версия | Сейчас: 26th October 2025 - 07:17 PM |
|
|
|
|
|
|
| Invision Power Board Default Green Skin by Professional n00b |