|
Sportage Club - - дом, где живут Kia Sportage основан в 2006г. |
Внимание! В целях борьбы со спамом, новые пользователи НЕ могут начинать новые темы в форуме. Поэтому просьба задавать вопросы в уже существующих ветках, схожих по тематике. Надеемся на Ваше понимание.

Здравствуйте, гость ( Вход | Регистрация )
|
Индивидуальный подход, запчасти гарантированного качества, многолетний опыт, никакого официоза - дружеская атмосфера! |
Обновление программного обеспечения блока управления двигателем, добавит лошадей, крутящего момента, снизит расход. |
Чистые форсунки - залог хорошей работы двигателя. Мы проверяем и промываем форсунки на профессиональном стенде. |
| 609 |
Apr 25 2009, 11:50 PM
Сообщение
#1
|
![]() Саксаул форума Группа: завсегдатый Сообщений: 11,164 Регистрация: 21-June 07 Из: Путера Пользователь №: 2,813 место дислокации: Гражданка, Северный |
Уф.
Итак, первая серия установки электровентилятора. Мишке со Стасом огромное спасибо за терпение и помощь !!!! В качестве донора была избрана Волга. В качестве производителя- решено было поддержать Малороссию, Луганский завод: ![]() Вентилятор дополнила рамка от газели (с длинными ушам-которые были порезаны во благо). После долгих мучений - вентилятор встал на родной диффузор следующим образом: ![]() ![]() Дальше началась разборка существующей системы охлаждения. Перво-наперво, была выкинута вискомуфта (оказавшаяся более-менее живой), и ее кронштейн (оказавшийся мертвым в плане подшипников). На рынке был подобран более короткий ремень генератора - с учетом выкинутой вискомуфты (вместе со шкивом естественно): ![]() В уазовском отделе рынка был приобретен тройник с входом под датчик,который занял место в верхнем патрубке радиатора. ![]() Датчик от жигулевской классики - уазовский больно низок по температуре включения. После некой камасутры даффузор с вентилятором был водружон на место. Ну собственно - с механической частью - все. Проблемы минимальны. Электрика.... блин. Было взято 30-амперное реле, 30-амперный силовой предохранитель, с датчика через реле отключается масса вентилятора (на случай закоротки при намокании - идея Стаса). После заводки долго гоняли на холостых - УРА, ПОДХВАТИЛО!!!! Радостно оставили машину тарахтеть... минут через 15 выдавило резиновое уплотнительное кольцо датчика, погнало антифриз - заметили случайно. После фонтана при открытии пробки радиатора ( Силовой предохранитель - мертв!!!! Намотал несколько жилок провода нарога30-ти амперного предохранителя - все стало чудно, вентилятор каждые три минуты стал подхватывать как часы. Приехав на стоянку обнаружил, что вентилятор шарашит на постоянку - похожене выдержало реле и пригорело во включенном состоянии. Вынул предохранитель и пошел домой.... Вывод - большой стартовый ток. Надо релюху ампер на 50. Вот -------------------- Ротор поля наподобие дивергентсии градуирует себя вдоль спина и там, внутре, обращает материю вопроса в спиритуальные електрические вихри, из коих и возникает синекдоха отвечания.
(с) Стругацкие А какой смысл покупать машину, чтобы разъезжать по асфальту? Там, где асфальт, ничего интересного, а где интересно, там нет асфальта... (с) Стругацкие ![]() Ищу по форуму. Дорого. |
![]() ![]() |
| Борисыч |
May 25 2009, 11:07 PM
Сообщение
#2
|
![]() грязелюбитель ![]() ![]() ![]() Группа: завсегдатый Сообщений: 167 Регистрация: 12-December 06 Из: Тверская,г.Бежецк Пользователь №: 2,236 |
Господа,оказывается выгоранием предохранителей и релюх мучаются и владельцы Волг
Эскизы прикрепленных изображений |
609 Электровентилятор 2 Apr 25 2009, 11:50 PM
CTAC Меж. часть получилась отлично . Вовка респект и ув... Apr 26 2009, 12:17 AM
Петр
Меж. часть получилась отлично . Вовка респект и у... Apr 26 2009, 01:08 AM
CTAC Петь, реле подгорает, как я понял. Про автомат мыс... Apr 26 2009, 01:24 AM
Борисыч Вот сдесь http://www.volga-gaz.ru/gazvolga/images/... Apr 26 2009, 02:01 AM
609
ЗЫ Вов, по чем брал пропеллер?
Точно не помню. Ра... Apr 26 2009, 09:08 AM
ПростоЖ
Уф.
Итак, первая серия установки электровентилято... Apr 26 2009, 11:03 AM
Виктор Что-то не то!
30А не может он потреблять при н... Apr 26 2009, 11:26 AM
ПростоЖ
Что-то не то!
30А не может он потреблять при ... Apr 26 2009, 03:31 PM
609
30А не может он потреблять при нормальной работе.... Apr 26 2009, 07:41 PM
alldn
Где под капотом в районе аккума можно взять плюс ... Apr 26 2009, 10:00 PM

609
судя по потребляемому току, наверное не получится... Apr 26 2009, 10:27 PM

alldn
Именно в этом и был вопрос. Где взять 12 вольт по... Apr 26 2009, 10:32 PM
vl@d
Упс....
Что на движке написано - уже не прочитать... Apr 26 2009, 10:32 PM
Борисыч
завтра напишу что на нем написано :B020:
А доку... Apr 26 2009, 11:50 PM
Mark_KA А может диод (обратным включением) поставить парал... Apr 27 2009, 12:12 AM
CTAC
А может диод (обратным включением) поставить пара... Apr 27 2009, 12:27 AM
vlad04sport
...Кондер не советую ставить, он в первый момент,... Apr 27 2009, 12:40 AM
vl@d ну про электрику я пока помолчу :B200: , а вот да... Apr 26 2009, 10:15 PM
alldn
ну про электрику я пока помолчу :B200: , а вот д... Apr 26 2009, 10:18 PM
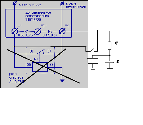
CTAC А R-C это что. Про конденсатор просто идея. Нужно ... Apr 27 2009, 12:51 AM
vlad04sport
А R-C это что. ..
Сопротивление - R; емкость - ... Apr 28 2009, 06:58 PM
alldn Физический смысл диода в обратном включении - защи... Apr 27 2009, 09:09 AM
Виктор Мое мнение:
1. Питание вентилятора нельзя делать ч... Apr 27 2009, 09:32 AM
609 1. Питание вентилятора нельзя делать через замок: ... Apr 27 2009, 09:39 AM
alldn
2. На таких пусковых токах применение конденсатор... Apr 27 2009, 10:15 AM
Grey хым... непонятно.. на газах работает а на спортяге... Apr 27 2009, 10:43 AM
Panzer38 Вентилятор от 406-го ?
А вот на схеме http://www.... Apr 27 2009, 10:51 AM
Виктор Вот параметры вашего электровентилятора:
Конструк... Apr 27 2009, 11:16 AM
609
А вот на схеме [url=http://www.volga-gaz.ru/gazvo... Apr 27 2009, 11:57 AM
Виктор
Вот это уже очень похоже на правду :dumai:
Пред... Apr 27 2009, 12:04 PM
alldn
И все-таки провочное сопротивление намного бы уве... Apr 27 2009, 12:26 PM
Виктор
...
Это жалко.
Чего жалко? 100 - 200 об/мин?
А ... Apr 27 2009, 04:34 PM
vlad04sport На нашей рабочей газели предохранитель 90А! (Д... Apr 27 2009, 01:56 PM
КИАвод В августе прошлого года проделал точно такую же оп... May 15 2009, 10:51 PM
БОБ
В августе прошлого года проделал точно такую же о... May 27 2009, 11:17 AM
alldn
Господа,оказывается выгоранием предохранителей и ... May 27 2009, 11:27 PM
КИАвод Я не знаю как у Вас, а у нас с прошлой субботы не ... May 27 2009, 07:10 PM
начинающий Сегодня ремонтировал кондиционер.Мастер сказал,что... Aug 9 2010, 04:13 PM
Krylan
Сегодня ремонтировал кондиционер.Мастер сказал,чт... Aug 9 2010, 04:19 PM
Panzer38
А причем здесь он? У кондиционера свой радиатор и... Aug 9 2010, 04:24 PM
начинающий
Спортик обычный,я поэтому и зашел на эту тему,что... Aug 10 2010, 09:12 AM
Yura
Спортик обычный,я поэтому и зашел на эту тему,чт... Aug 10 2010, 12:58 PM
начинающий
2000год Механический вентилятор предыдущий хозяин... Aug 10 2010, 02:53 PM
Yura
2000год Механический вентилятор предыдущий хозяи... Aug 10 2010, 06:39 PM
начинающий
Если даже механический переделан в электрический,... Aug 10 2010, 08:12 PM
Александр 533
Уф.
Итак, первая серия установки электровентилято... Aug 10 2010, 08:32 PM
609
Во всех машинах вентилятор запускается от обычног... Aug 10 2010, 08:42 PM
BFGoodrich
Поставил импортное реле на 70 А - проблема самоли... Aug 10 2010, 09:02 PM
samoxa7 :B200: Я вот все стесняюсь спросить...А нах...Вобщ... Aug 10 2010, 09:28 PM
alldn
:B200: Я вот все стесняюсь спросить...А нах...Воб... Aug 10 2010, 09:48 PM
BFGoodrich
:B200: Я вот все стесняюсь спросить...А нах...Воб... Aug 10 2010, 10:25 PM
samoxa7 :D Саш,про писалки я в курсе... :rulez: А вот оста... Aug 10 2010, 09:52 PM
alldn
:D Саш,про писалки я в курсе... :rulez: А вот ост... Aug 10 2010, 09:58 PM
Виктор
Рад за тебя. Наверное тебе повезло и у тебя какой... Aug 11 2010, 10:51 AM
609
Составлю Сереге компанию!
Со своей вяскомуфто... Aug 11 2010, 11:10 AM
Виктор
Идея примерно такая.
Вискомуфта, как известно, с... Aug 11 2010, 01:15 PM
609
Если радиатор снаружи серьезно забит, то и э/вент... Aug 11 2010, 01:31 PM
Виктор
Но это хоть что-то, хоть как-то через оставшиеся ... Aug 11 2010, 02:07 PM
samoxa7
:et: Не,эт врятли...Скорее всего,прошлый год ког... Aug 10 2010, 10:03 PM
ghost спасиб за наглядный пост :rulez: :B162:
тоже уже... Aug 10 2010, 10:49 PM
BFGoodrich
спасиб за наглядный пост :rulez: :B162:
тоже уж... Aug 10 2010, 11:35 PM
ghost
Бери от Ауди А6 те что от 200 л.с мотры, 450 Вт, ... Aug 11 2010, 04:28 PM

Александр 533
Я пожалуй так и сделаю, спасиб за инфу...
У меня... Aug 14 2010, 11:32 PM

ghost
У меня на девятке раз датчик не сработал - перегр... Aug 15 2010, 10:25 AM
БОБ
Бери от Ауди А6 те что от 200 л.с мотры, 450 Вт, ... Aug 11 2010, 04:39 PM
BFGoodrich
В экзисте самое малое за феби 5600руб :blink: , а... Aug 12 2010, 10:48 PM
ghost
Брал Вот здесь, только цена поднялась. Но поиск в... Aug 13 2010, 12:08 AM
BFGoodrich
я думаю, можт на разборке посмотреть... :dumai: ... Aug 13 2010, 12:54 AM
609
Не надо датчик, ставь силычь.
Саня, а ты с ним н... Aug 13 2010, 12:56 AM
BFGoodrich
Саня, а ты с ним нырял?
Да, полёт нормальный. Aug 13 2010, 10:15 PM
609
Володь, поставь силыч и забудешь обо-всём.
Не, н... Aug 10 2010, 11:57 PM
191
Газелевская рамка, кстати, полное ковно. Под тяже... Aug 11 2010, 09:02 AM
111v111 Может кто подскажет где стоит реле включения венти... Aug 11 2010, 12:56 PM
Rabbit-NN
Может кто подскажет где стоит реле включения вент... Aug 12 2010, 03:24 PM
111v111
У меня сейчас на отдельную кнопку выведено включе... Aug 13 2010, 09:54 AM
kostic8615 по поводу электро вентилятора кондея.. как тут был... Aug 12 2010, 11:40 PM
Rabbit-NN Немножко не в тему, творение кожуха электровентиля... Aug 13 2010, 09:38 AM
alexius
Немножко не в тему, творение кожуха электровентил... Aug 13 2010, 11:58 AM

БОБ
я начинаю париться с печкой когда стрелка начинае... Aug 13 2010, 08:18 PM
ПростоЖ
Немножко не в тему, творение кожуха электровентил... Aug 13 2010, 12:49 PM
КИАвод Неполных два лета проездил с электровентилятором.В... Aug 13 2010, 06:23 PM
alexius
Неполных два лета проездил с электровентилятором.... Aug 14 2010, 06:45 PM

КИАвод
фото можешь замутить? тоже идея была такая.
Легк... Aug 14 2010, 10:00 PM
alldn
поставил на место муфту,и вместо вентилятора конд... Aug 16 2010, 01:31 PM
КИАвод
А зачем муфту на место поставил? Ведь электровент... Aug 16 2010, 10:31 PM
БОБ
Неполных два лета проездил с электровентилятором.... Aug 16 2010, 11:00 PM
КИАвод
А если бы кондей работал, хватило бы ? Ведь нагру... Aug 16 2010, 11:19 PM
alldn
C родным вентилятором не хватает.Жигулёвский мощн... Aug 17 2010, 07:27 AM
КИАвод
Это понятно, а муфту зачем вернул на место? Ведь ... Aug 17 2010, 08:03 PM
КИАвод Выкладываю как и обещал - крыльчатку обрезал в раз... Aug 15 2010, 08:47 PM
alexius
Выкладываю как и обещал - крыльчатку обрезал в ра... Aug 15 2010, 10:26 PM

КИАвод
спасибо! он пробивает оба радиатора?
Да,про... Aug 15 2010, 10:47 PM

kross
Да,пробивает оба радиатора.
Кондей у меня не рабо... Aug 15 2010, 10:54 PM
kostic8615
Выкладываю как и обещал - крыльчатку обрезал в ра... Aug 16 2010, 11:54 AM
Игорь К.
А подскажите код ремня, который был установлен пр... Dec 22 2010, 11:44 AM
ghost
А подскажите код ремня, который был установлен пр... Dec 22 2010, 12:02 PM
snanislav Всем привет Я тоже этим летом занимался кулибничес... Jan 13 2011, 04:31 PM
Panzer38
..... был приобретен медный радиатор от ГАЗ-24 - ... Jan 13 2011, 05:09 PM![]() ![]() |
| Текстовая версия | Сейчас: 19th December 2025 - 12:03 PM |
|
|
|
|
|
|
| Invision Power Board Default Green Skin by Professional n00b |