|
Sportage Club - - дом, где живут Kia Sportage основан в 2006г. |
Внимание! В целях борьбы со спамом, новые пользователи НЕ могут начинать новые темы в форуме. Поэтому просьба задавать вопросы в уже существующих ветках, схожих по тематике. Надеемся на Ваше понимание.

Здравствуйте, гость ( Вход | Регистрация )
|
Индивидуальный подход, запчасти гарантированного качества, многолетний опыт, никакого официоза - дружеская атмосфера! |
Обновление программного обеспечения блока управления двигателем, добавит лошадей, крутящего момента, снизит расход. |
Чистые форсунки - залог хорошей работы двигателя. Мы проверяем и промываем форсунки на профессиональном стенде. |
| Mark_KA |
Apr 2 2009, 10:21 PM
Сообщение
#1
|
![]() Обитатель грязи! ![]() ![]() ![]() ![]() ![]() ![]() ![]() Группа: завсегдатый Сообщений: 585 Регистрация: 4-May 07 Из: Ульяновск Пользователь №: 2,682 место дислокации: Ульяновск |
Устройство, обслуживание, ремонт.
KIA Sportage (c 1999г) Образ CD ~150Мб Может кому пригодится... http://depositfiles.com/files/db9shd3mb Эскизы прикрепленных изображений |
![]() ![]() |
| Mishael |
Apr 3 2009, 03:28 PM
Сообщение
#2
|
![]() гряземяситель ![]() ![]() ![]() ![]() ![]() Группа: завсегдатый Сообщений: 476 Регистрация: 25-May 08 Пользователь №: 5,334 место дислокации: Nizhniy Novgorod |
есть такойже, мне мало чем пригодился... по крайней мере электрические схемы не совсем совпадают на спртаже 04 года...
-------------------- Sportаge
2.0i 5мкпп Калининград |
| mikola |
May 28 2009, 10:53 PM
Сообщение
#3
|
![]() грязелюбитель ![]() ![]() ![]() Группа: завсегдатый Сообщений: 171 Регистрация: 5-January 08 Пользователь №: 4,251 место дислокации: Москва, ВАО |
есть такойже, мне мало чем пригодился... по крайней мере электрические схемы не совсем совпадают на спртаже 04 года... У меня есть книга по старым спортажам. Если что - могу скинуть фотку страницы... -------------------- Sport&ge, 94г, дизель 2,2л, мешалка.
|
| alldn |
May 28 2009, 10:56 PM
Сообщение
#4
|
![]() властелин грязи ![]() ![]() ![]() ![]() ![]() ![]() ![]() ![]() ![]() ![]() Группа: завсегдатый Сообщений: 2,492 Регистрация: 25-July 08 Из: Тамбов Пользователь №: 5,555 место дислокации: Тамбовская обл, Тамбовский р-н. с. Богословка |
У меня есть книга по старым спортажам. Если что - могу скинуть фотку страницы... Был бы очень благодарен. Нужна схема включения фар. мой адрес аллдн-собака-майл-ру Хотя Спортаж вроде и не старый - 2006 год... -------------------- |
| mikola |
Jun 1 2009, 05:04 PM
Сообщение
#5
|
![]() грязелюбитель ![]() ![]() ![]() Группа: завсегдатый Сообщений: 171 Регистрация: 5-January 08 Пользователь №: 4,251 место дислокации: Москва, ВАО |
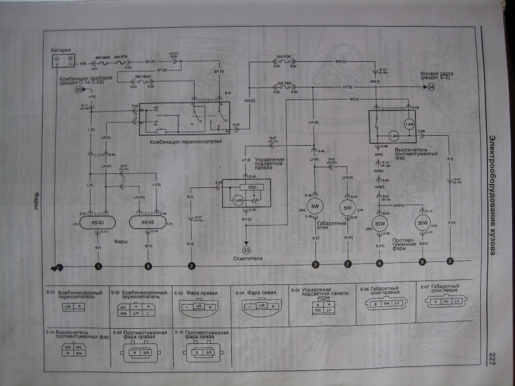
Был бы очень благодарен. Нужна схема включения фар. мой адрес аллдн-собака-майл-ру Хотя Спортаж вроде и не старый - 2006 год... Это схема для моего авто. фото пришлось сжать, иначе не загружается. если нужна в несжатом состоянии- вышлю на e-mail. Эскизы прикрепленных изображений -------------------- Sport&ge, 94г, дизель 2,2л, мешалка.
|
| alldn |
Jun 1 2009, 05:05 PM
Сообщение
#6
|
![]() властелин грязи ![]() ![]() ![]() ![]() ![]() ![]() ![]() ![]() ![]() ![]() Группа: завсегдатый Сообщений: 2,492 Регистрация: 25-July 08 Из: Тамбов Пользователь №: 5,555 место дислокации: Тамбовская обл, Тамбовский р-н. с. Богословка |
Это схема для моего авто. Спасибо. Кажется это именно то, что прописал нам доктор. -------------------- |
Mark_KA Устройство, обслуживание, ремонт. Apr 2 2009, 10:21 PM
andrey82
У меня есть книга по старым спортажам. Если что -... Jul 7 2009, 11:37 AM

mikola
Как туманники закрепил, подскажи? :32a:
Туманок ... Jul 7 2009, 10:45 PM
Jurabay
Что за книжка - вроде моя машинка подходит? Nov 12 2012, 10:36 AM
709
Что за книжка - вроде моя машинка подходит?
ПОСТ... Nov 12 2012, 11:18 AM
sasha123 Автор ветки перезалил диск сюда
http://depositfil... May 24 2009, 09:40 PM
alldn Нужна схема включения фар на автоторовский гранд 2... May 28 2009, 10:42 PM
Чел Уваж. Коллеги!
Не получилось скачать руководст... Jul 10 2011, 02:41 PM
Mark_KA
Вернее что-то скачнул, а открыть не смог,
Подскаж... Jul 10 2011, 11:46 PM
Чел
Почему открыть не смог?
Там образ iso.
Можно откр... Jul 11 2011, 08:30 AM
brat po razumu
СПАСИБО, попробую еще, думаю должно получиться... Jul 11 2011, 11:02 AM
ХИЩНИК879
Вот есть книжка,довольно подробная
http://www.car... Jul 11 2011, 04:57 PM
Чел
Вот есть книжка,довольно подробная
http://www.car... Jul 11 2011, 08:52 PM

Док
Спасибо, эту видел, но как ее полностью скачать? ... May 4 2012, 12:57 AM
Akad
Вот есть книжка,довольно подробная
http://www.car... Aug 10 2011, 02:17 PM
God может я не в тему, случайно наткнулся на этот фору... Aug 3 2011, 11:36 AM
mike482
может я не в тему, случайно наткнулся на этот фор... Aug 3 2011, 01:23 PM
Striker
может я не в тему, случайно наткнулся на этот фор... Aug 4 2011, 02:00 PM
mike482
Добрый день.
Могу помочь со схемой.
Напишите мне ... Aug 4 2011, 02:13 PM
God Нашел еще в инете сайт который занимается только к... May 19 2012, 01:37 PM
Док
Нашел еще в инете сайт который занимается только ... May 19 2012, 07:19 PM
Jurabay Помогите найти электрические схемы на KI& SPOR... Nov 8 2012, 10:17 AM
709
Помогите найти электрические схемы на KI& SPO... Nov 8 2012, 10:25 AM
Jurabay Это же с 1999г. не подходит! Надо на первые КИ... Nov 8 2012, 11:37 AM
Jurabay Спасибо, только там одна механика - схем нет. Dec 18 2012, 10:37 AM![]() ![]() |
| Текстовая версия | Сейчас: 17th February 2026 - 05:10 PM |
|
|
|
|
|
|
| Invision Power Board Default Green Skin by Professional n00b |