|
Sportage Club - - дом, где живут Kia Sportage основан в 2006г. |
Внимание! В целях борьбы со спамом, новые пользователи НЕ могут начинать новые темы в форуме. Поэтому просьба задавать вопросы в уже существующих ветках, схожих по тематике. Надеемся на Ваше понимание.

Здравствуйте, гость ( Вход | Регистрация )
|
Индивидуальный подход, запчасти гарантированного качества, многолетний опыт, никакого официоза - дружеская атмосфера! |
Обновление программного обеспечения блока управления двигателем, добавит лошадей, крутящего момента, снизит расход. |
Чистые форсунки - залог хорошей работы двигателя. Мы проверяем и промываем форсунки на профессиональном стенде. |
| Denski |
Sep 5 2009, 06:36 PM
Сообщение
#1
|
![]() Всепроходимец ![]() ![]() Группа: завсегдатый Сообщений: 62 Регистрация: 17-May 08 Пользователь №: 5,252 место дислокации: СПб, Парголово. |
Странное дело начало у меня происходить, машина стоит ни кого ни трогает я нахожусь в поле видемости моего авто, и вдруг ни с того ни с сего она начинает орать ( beep-beep-beep ), случалось у меня это примерно раз 8, редко , ну и ладно думал я, а сегодня пол-часа назад, она вообще взбесилась, она просто включила непрерывный сигнал и орала примерно минуту, я уже и подойти к ней успел, притом на сигналку мне показалось она не отзывалась, прям чудеса какие то, интересно а сигналка сама то затыкается или её только с брелка можно заткнуть? Может у кого были похожие ситуации со штатной противоугонкой, поделитесь советом. Спс.
-------------------- |
![]() ![]() |
| Dimon01 |
Sep 8 2009, 09:35 PM
Сообщение
#2
|
|
грязелюбитель ![]() ![]() ![]() Группа: завсегдатый Сообщений: 217 Регистрация: 5-September 09 Из: Литва Пользователь №: 6,634 место дислокации: Litva |
|
| Борисыч |
Sep 8 2009, 10:21 PM
Сообщение
#3
|
![]() грязелюбитель ![]() ![]() ![]() Группа: завсегдатый Сообщений: 167 Регистрация: 12-December 06 Из: Тверская,г.Бежецк Пользователь №: 2,236 |
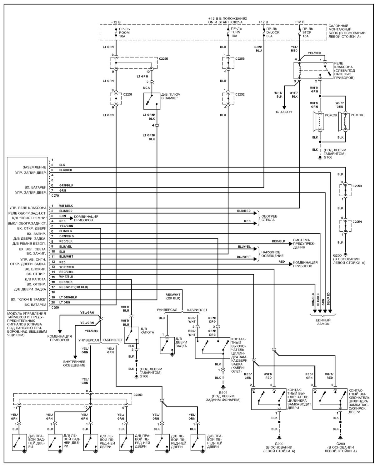
Это монтажная схема сигнализации. Кстати,этот же блок управления сигнализирует о том, что "...забыл выключить свет" Кстати она сигнали3ирует что и двери открыты А еще это схема блока предупредительных сигналов а не штатной противоугонной сигнали3ации |
Denski Штатная сигналка Sep 5 2009, 06:36 PM
Борисыч Вообще,штатная сигналка будет орать пока аккомулят... Sep 5 2009, 07:29 PM
609
Может у кого были похожие ситуации со штатной про... Sep 5 2009, 09:59 PM
barsik75
Извините за вторжение! Очень нужна помощь... Dec 15 2012, 10:39 PM
Dimon01 Хорошо бы знать год выпуска машины? Если это моде... Sep 5 2009, 10:26 PM
Denski Год выпуска машины 2000г., да я согласен климат в ... Sep 7 2009, 11:09 PM
Борисыч
А вот то что она орать будет пока акум не сядет,... Sep 7 2009, 11:17 PM
SAVant
Корейцы еще маху дали-если 3абыл свет выключить и... Sep 8 2009, 08:47 AM
chuny
простите, у меня вопрос У всех спортажей при вык... Apr 22 2010, 09:56 PM
андрей 31
простите, у меня вопрос У всех спортажей при вык... Apr 30 2010, 12:11 PM

Андреич
у меня тоже не гаснут, эт как у жигулей примерно.... Apr 30 2010, 11:11 PM
Художник
простите, у меня вопрос У всех спортажей при вык... Apr 30 2010, 07:30 PM
Denski
Кстати она сигнали3ирует что и двери открыты :et:... Sep 13 2009, 11:15 PM
Dimon01 http://cars4x4.ru/Kia-Sportage/15_33.htm :dumai... Sep 9 2009, 07:49 PM
obooo123 Машина 98гв, 128, бенз, акпп корея, сигнализация ш... Nov 18 2009, 04:44 PM
obooo123 проездив неделю сигналка перестала тупить стала ра... Nov 23 2009, 09:56 PM
FRED У меня похожая проблема. Стоит сигналка. Закрыл ма... Dec 15 2009, 02:11 PM
Arturito
Здравствуйте, уважаемые совладельцы Sport&ge... Jan 4 2010, 03:17 AM
Андреич Здрассте, я то же новичок. Машину приобрёл 2 недел... Mar 21 2010, 06:15 PM
БОБ
Здрассте, я то же новичок. Машину приобрёл 2 неде... Apr 26 2010, 03:12 PM
Андреич
Есть ли у вас наблюдения : за какой период времен... Apr 26 2010, 06:59 PM

БОБ
К сожалению нет, т.к. машиной пользуюсь каждый де... Apr 26 2010, 10:37 PM


Андреич
Ну в частности у меня , при включенной сигнализац... Apr 30 2010, 11:38 PM


БОБ
Ну в частности у меня , при включенной сигнализац... May 27 2010, 07:37 PM

ПАНОВ
150 мА, а тем более 200 мА - это очень большой то... May 7 2010, 12:33 PM

Андреич
150 мА, а тем более 200 мА - это очень большой то... May 11 2010, 09:14 AM

Художник
сорри, конечно 15-20 мА, а не 150-200мА, извините... May 11 2010, 05:11 PM
Борисыч
Есть ли у вас наблюдения : за какой период времен... Apr 26 2010, 11:39 PM
ghost нафига ставить по 2 сигналки да исчо и чтоб орала.... Mar 21 2010, 07:24 PM
Андреич Ну тут разные мнения на этот счет. Штатная сигналк... Mar 22 2010, 08:35 PM
7mak7cum7 Поделюсь опытом! Стоят две сигналки, стандартн... May 28 2010, 10:08 AM
Андреич ну, это только она( штатная) не берет под охрану д... May 29 2010, 03:16 PM
kross
ну, это только она( штатная) не берет под охрану ... Sep 14 2010, 07:14 PM

Художник
Есть там электролит.... только он густой..- в вид... Sep 14 2010, 07:18 PM
oboroten
ну, это только она( штатная) не берет под охрану ... Sep 14 2010, 07:21 PM

genek
проводили испытыния, гелевый самый отстой, нет ни... Sep 14 2010, 07:48 PM
Художник
ну, это только она( штатная) не берет под охрану ... Sep 14 2010, 07:26 PM
vlad04sport Тему открывать не буду: Смысл заморочки следующий:... Oct 10 2010, 01:40 PM
Александр 533
Тему открывать не буду: Смысл заморочки следующий... Oct 11 2010, 12:30 PM
Duka
Может проводочки на дверном моторчике перепутаны ... Nov 15 2010, 01:15 AM
Вайна V отмечусь... почитаю... тоже проблемки с сигналкой.... Nov 2 2010, 04:34 AM
Wite Всем доброго времени суток!!! У меня К... Jul 27 2011, 09:45 PM
Yamser Купил недавно спортяжку 96г.Проблем море.В том чис... Nov 23 2012, 12:00 AM
Yamser Братитишки-бездорожники.Второй раз взываю о помощи... Dec 2 2012, 01:55 AM![]() ![]() |
| Текстовая версия | Сейчас: 22nd January 2026 - 04:04 AM |
|
|
|
|
|
|
| Invision Power Board Default Green Skin by Professional n00b |