|
Sportage Club - - дом, где живут Kia Sportage основан в 2006г. |
Внимание! В целях борьбы со спамом, новые пользователи НЕ могут начинать новые темы в форуме. Поэтому просьба задавать вопросы в уже существующих ветках, схожих по тематике. Надеемся на Ваше понимание.

Здравствуйте, гость ( Вход | Регистрация )
|
Индивидуальный подход, запчасти гарантированного качества, многолетний опыт, никакого официоза - дружеская атмосфера! |
Обновление программного обеспечения блока управления двигателем, добавит лошадей, крутящего момента, снизит расход. |
Чистые форсунки - залог хорошей работы двигателя. Мы проверяем и промываем форсунки на профессиональном стенде. |
| DimTs |
Aug 16 2007, 08:41 PM
Сообщение
#1
|
![]() Всезнающий Незнайка ![]() ![]() ![]() ![]() ![]() ![]() ![]() ![]() ![]() ![]() Группа: завсегдатый Сообщений: 2,060 Регистрация: 7-May 07 Из: Смоленск Пользователь №: 2,691 место дислокации: Смоленск |
и перед и зад. Ни в режиме поворотника ни в режиме аварийки. Предохроны все целы, лампы тож. При вкючении поворотника реле начинает часто щелкать. Напруга на лампочки не приходит. При включении задней скорости притухает подсветка приборов. Спорт - кореец 94-го года.
-------------------- Автомобиль , собранный из неоригинальных запчастей - представляет из себя оригинальный китайский автомобиль.
|
![]() ![]() |
| obooo123 |
Jan 14 2010, 08:49 PM
Сообщение
#2
|
|
гряземяситель ![]() ![]() ![]() ![]() ![]() Группа: завсегдатый Сообщений: 452 Регистрация: 19-March 09 Из: москва зао Пользователь №: 6,074 место дислокации: москва зао |
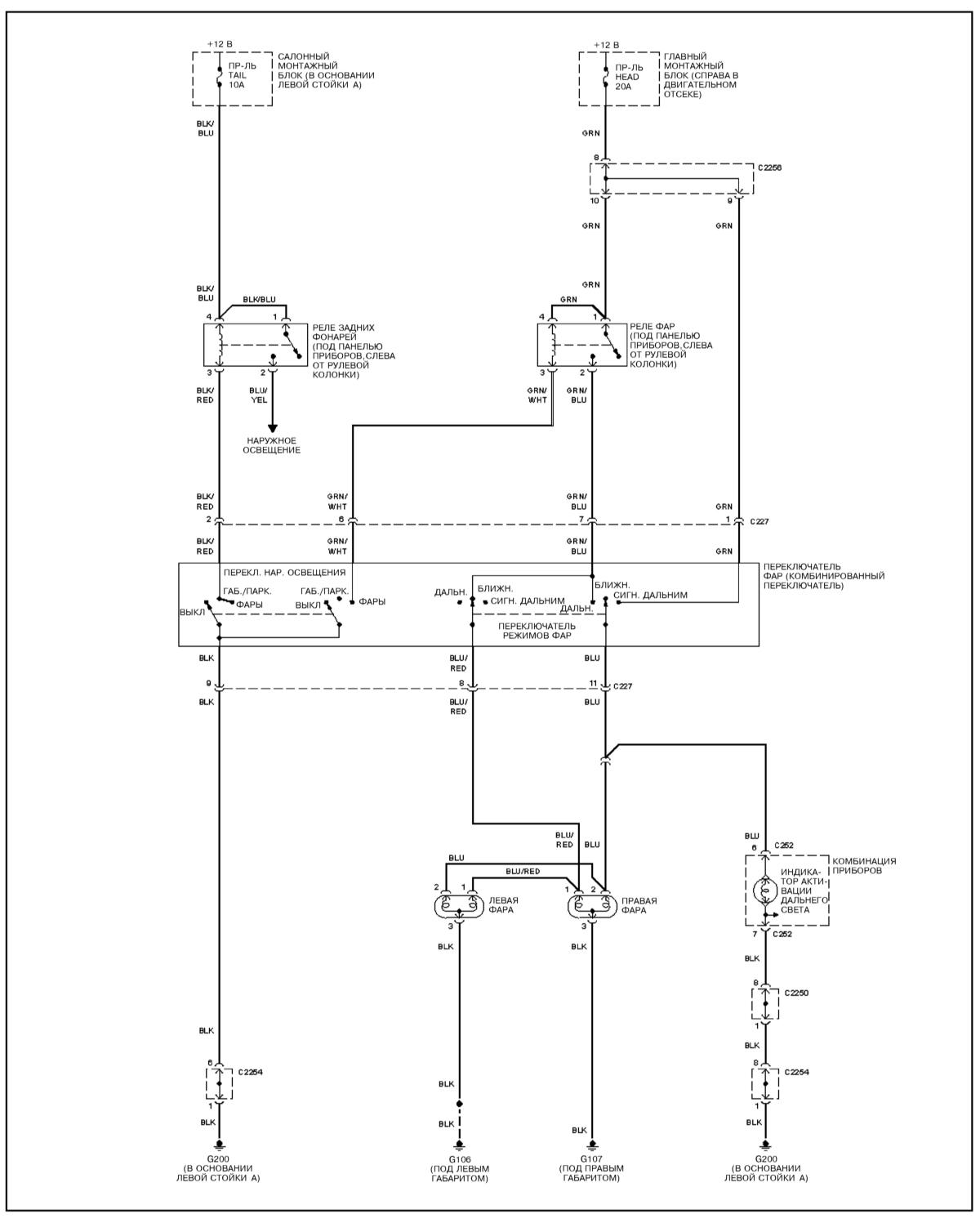
к сожелению на схеме маркировки реле нет((((
Виктор - а кллеммы массы иммеется ввиду гайки на которых держеться блок предохранителей спасибо Эскизы прикрепленных изображений -------------------- облака плывут облака, неспеша плывут как в кино, я циплЁнка ем табака, коньячку я принял полкило,
облака плывут в Абакан, неспеша плывут облака......... |
DimTs Не работает поворотник Aug 16 2007, 08:41 PM
kostetik A заводится хоть ? Aug 16 2007, 11:11 PM
DimTs
A заводится хоть ?
С БОЛЬШИМ трудом делает 1-й ... Aug 17 2007, 09:34 AM
BFGoodrich Надо смотреть реле Aug 17 2007, 01:25 AM
kostetik Предохранители проверял этих цепей или все...?
Быв... Aug 17 2007, 09:54 AM
DimTs Проверял все прозвонкой. :( Склоняюсь к реле. Либ... Aug 17 2007, 09:57 AM
DimTs Бегемот побежден. Оказалось "ушла" мама ... Aug 17 2007, 07:52 PM
kostetik Ну и славненько! Aug 17 2007, 08:05 PM
BFGoodrich У меня тоже вчера проблема появилась.
Левые поворо... Sep 25 2008, 09:41 AM
Mif 59
,как будто перегорела лампочка...
Ещё не смотрел... Sep 25 2008, 12:27 PM
ЧАО
У меня тоже вчера проблема появилась.
Левые повор... Sep 25 2008, 12:40 PM
obooo123 Всем здравствуйте!!!
Не работают пово... Jan 14 2010, 07:56 PM
Yura Всем здравствуйте!!!
Не работают пов... Jan 14 2010, 08:47 PM
Виктор
Всем здравствуйте!!!
Не работают пов... Jan 14 2010, 08:49 PM
Виктор
к сожелению на схеме маркировки реле нет((((
Вик... Jan 14 2010, 08:59 PM
obooo123 Виктор извините если задергал
может знаете код и... Jan 14 2010, 09:02 PM
Yura Виктор извините если задергал
может знаете код ... Jan 14 2010, 09:13 PM
Виктор
Виктор извините если задергал
может знаете код ... Jan 14 2010, 09:13 PM
obooo123 большое спасибо Виктор Юра проверю сначала клеммы... Jan 14 2010, 09:27 PM
Yura большое спасибо Виктор Юра проверю сначала клемм... Jan 14 2010, 09:57 PM
SadMan И меня постигла эта напасть: нет левых поворотнико... Sep 24 2010, 08:40 PM
Alexus
И меня постигла эта напасть: нет левых поворотник... Sep 25 2010, 10:30 AM
Александр 533
Если без подушек, то просто отщелкивается с усили... Sep 28 2010, 11:42 AM
SadMan
Если без подушек, то просто отщелкивается с усили... Oct 5 2010, 04:20 PM
Дмитрий Бывший Волгарь У меня была следующая ситуация:
Не с того ни с се... Nov 7 2014, 04:45 AM![]() ![]() |
| Текстовая версия | Сейчас: 30th November 2025 - 03:08 AM |
|
|
|
|
|
|
| Invision Power Board Default Green Skin by Professional n00b |