|
Sportage Club - - дом, где живут Kia Sportage основан в 2006г. |
Внимание! В целях борьбы со спамом, новые пользователи НЕ могут начинать новые темы в форуме. Поэтому просьба задавать вопросы в уже существующих ветках, схожих по тематике. Надеемся на Ваше понимание.

Здравствуйте, гость ( Вход | Регистрация )
|
Индивидуальный подход, запчасти гарантированного качества, многолетний опыт, никакого официоза - дружеская атмосфера! |
Обновление программного обеспечения блока управления двигателем, добавит лошадей, крутящего момента, снизит расход. |
Чистые форсунки - залог хорошей работы двигателя. Мы проверяем и промываем форсунки на профессиональном стенде. |
![]() ![]() |
| samoxa7 |
Jul 25 2014, 10:47 AM
Сообщение
#21
|
![]() сами мы не местные... Группа: завсегдатый Сообщений: 3,960 Регистрация: 16-May 08 Пользователь №: 5,241 место дислокации: Волгоград |
у половины форума драндулеты на проволоках и синей изоленте держатся. дренажный, обратный клапан? Где он находится - в моторе, в насосе Не знаю,есть ли в природе упомянутый клапан вообще. -------------------- Алкоголь в малых дозах безвреден в любом количестве!
![]() Пользую корейца ,бизин,мотор-донор 16 клап,йока МТ 30",лифт2",ПОГИБ ПРИ ИСПОЛНЕНИИ 16 октября 2010года...ВОСКРЕС 26 апреля 2011 года ,пересадка сердца 2014-2015 зима. А не помесить ли нам грязь? |
| Akad |
Jul 25 2014, 07:23 PM
Сообщение
#22
|
|
грязелюбитель ![]() ![]() ![]() Группа: завсегдатый Сообщений: 180 Регистрация: 24-April 11 Пользователь №: 9,455 место дислокации: Воронеж |
Я тут вот, что подумал - ведь на горячую, даже когда машина заглушенная постоит минут 15, лампочка гаснет сразу при заводе двигателя... Получается, что если бы нормально держал дренажный клапан и не давал маслу слиться с двигателя, то не было бы вообще этой заморочки с долго горящей лампой на холодную. В фильтре должен стоять обратный клапан. Если его нет/не работает (на китайских подделках например) будет данный эффект. -------------------- Кореец 1993г.в. Двиг 2.2, в правильной SOHC ГБЦ с мозгом megasquirt 3. Вообще не сток.
|
| Ермыч |
Jul 25 2014, 08:17 PM
Сообщение
#23
|
![]() властелин грязи ![]() ![]() ![]() ![]() ![]() ![]() ![]() ![]() ![]() ![]() Группа: завсегдатый Сообщений: 2,999 Регистрация: 17-December 13 Пользователь №: 12,754 место дислокации: Брянск |
Не знаю,есть ли в природе упомянутый клапан вообще. Он должен быть в любом двигателе. -------------------- Андрей SPORTAGE Кореец 1995г., доресталинг, короткий, MPI-SOHC, 8 V, 95 л.с., цвет - вишня, МКП, газовое оборудование OMVL SAVER-4.
|
| BFGoodrich |
Jul 26 2014, 03:07 AM
Сообщение
#24
|
![]() не предатель Группа: завсегдатый Сообщений: 3,181 Регистрация: 25-July 07 Из: Москва Пользователь №: 2,931 место дислокации: Москва ЮВАО Люблино |
В фильтре должен стоять обратный клапан. Если его нет/не работает (на китайских подделках например) будет данный эффект. А где это написано? и кто это сказал? Давление масла, как и давление топлива, должно быть на хх не менее 2,2 бар на прогретом двигателе, а при небольшом увеличении оборотов, должно доходить до 5 бар (срабатывает клапан). На двигателе после переборки, давление на прогретом на хх около 4 бар и при малейшем нажатии на газ 5 бар. И масляный фильтр здесь не причём, с клапаном он или без- не важно, т.к. фильтр стоит последовательно в системе. Есть много машин, у которых масляный фильтр это картридж. Например Спортаж 2 (КМ) 2л-дизель VGT, Соренто 2,5 дизель,БМВ бензин\дизель, VW, Ситроены. Это назыается-экологический масляный фильтр. Насчёт гнутых валов. За свои 36 лет, видел и гнутые к.валы и гнутые р.валы,причём уже давно, кому интересно, могу провести экскурсию в Москве с натуральными экспонатами. Господа, какой дренажный клапан!!!!!, где он!!!!!, вы книжек про канализацию и водоснабжение начитались???? -------------------- |
| Александр 533 |
Jul 26 2014, 08:45 AM
Сообщение
#25
|
![]() вне рангов Группа: завсегдатый Сообщений: 4,002 Регистрация: 17-December 09 Из: Московская обл. Щелковский р-он. Пользователь №: 7,043 место дислокации: Московская обл. |
А где это написано? и кто это сказал? Давление масла, как и давление топлива, должно быть на хх не менее 2,2 бар на прогретом двигателе, а при небольшом увеличении оборотов, должно доходить до 5 бар (срабатывает клапан). На двигателе после переборки, давление на прогретом на хх около 4 бар и при малейшем нажатии на газ 5 бар. И масляный фильтр здесь не причём, с клапаном он или без- не важно, т.к. фильтр стоит последовательно в системе. Есть много машин, у которых масляный фильтр это картридж. Например Спортаж 2 (КМ) 2л-дизель VGT, Соренто 2,5 дизель,БМВ бензин\дизель, VW, Ситроены. Это назыается-экологический масляный фильтр. Насчёт гнутых валов. За свои 36 лет, видел и гнутые к.валы и гнутые р.валы,причём уже давно, кому интересно, могу провести экскурсию в Москве с натуральными экспонатами. Господа, какой дренажный клапан!!!!!, где он!!!!!, вы книжек про канализацию и водоснабжение начитались???? В фильтре клапан не даёт маслу стекать из головки в поддон. Ещё в фильтре клапан есть - предохранительный, если он откроется - масло идет в систему без фильтрации и даже подхватывается всякая дрянь из корпуса фильтра, давление при этом падает, лампа может загореться. Редукционный клапан в насосе предохраняет фильтр от повреждения при сильном росте давления. Когда открывается редукционный клапан - давление резко падает, лампа загорается априори. -------------------- Sportаge 2005, гранд, МКПП, бензин, 128 л/с, 16 кл. Калининград, лето - BFGoodrich All Terrain - T/A LT215/75/15 KO2, зима Marshal- KC 11 215/75/15, шиповка, всё на нивской штамповке, стальное брюхо 4 мм из 4 частей, силовой передний бампер, хай-джек, лифт-мейт, хабы - болтики "а-ля Тамбов".
Хочу, могу, умею и буду... |
| samoxa7 |
Jul 26 2014, 10:52 AM
Сообщение
#26
|
![]() сами мы не местные... Группа: завсегдатый Сообщений: 3,960 Регистрация: 16-May 08 Пользователь №: 5,241 место дислокации: Волгоград |
А где это написано? и кто это сказал? Давление масла, как и давление топлива, должно быть на хх не менее 2,2 бар на прогретом двигателе, а при небольшом увеличении оборотов, должно доходить до 5 бар (срабатывает клапан). На двигателе после переборки, давление на прогретом на хх около 4 бар и при малейшем нажатии на газ 5 бар. И масляный фильтр здесь не причём, с клапаном он или без- не важно, т.к. фильтр стоит последовательно в системе. Есть много машин, у которых масляный фильтр это картридж. Например Спортаж 2 (КМ) 2л-дизель VGT, Соренто 2,5 дизель,БМВ бензин\дизель, VW, Ситроены. Это назыается-экологический масляный фильтр. Насчёт гнутых валов. За свои 36 лет, видел и гнутые к.валы и гнутые р.валы,причём уже давно, кому интересно, могу провести экскурсию в Москве с натуральными экспонатами. Господа, какой дренажный клапан!!!!!, где он!!!!!, вы книжек про канализацию и водоснабжение начитались???? Когда открывается редукционный клапан - давление резко падает, лампа загорается априори. -------------------- Алкоголь в малых дозах безвреден в любом количестве!
![]() Пользую корейца ,бизин,мотор-донор 16 клап,йока МТ 30",лифт2",ПОГИБ ПРИ ИСПОЛНЕНИИ 16 октября 2010года...ВОСКРЕС 26 апреля 2011 года ,пересадка сердца 2014-2015 зима. А не помесить ли нам грязь? |
| Ермыч |
Jul 26 2014, 02:24 PM
Сообщение
#27
|
![]() властелин грязи ![]() ![]() ![]() ![]() ![]() ![]() ![]() ![]() ![]() ![]() Группа: завсегдатый Сообщений: 2,999 Регистрация: 17-December 13 Пользователь №: 12,754 место дислокации: Брянск |
В фильтре клапан не даёт маслу стекать из головки в поддон. Ещё в фильтре клапан есть - предохранительный, если он откроется - масло идет в систему без фильтрации и даже подхватывается всякая дрянь из корпуса фильтра, давление при этом падает, лампа может загореться. Редукционный клапан в насосе предохраняет фильтр от повреждения при сильном росте давления. Когда открывается редукционный клапан - давление резко падает, лампа загорается априори. Да Вы правы в наших Спортажах обратный клапан стоит в масляном фильтре. Я распилит старый стоковый фильтр. Обратный клапан в виде резиновой манжеты прилегает к радиальным отверстиям фильтра. Он устроен так как на этой картинке, только предохранительный клапан у нас стоит в блоке в выходном канале от масляного насоса - подход снизу при снятом поддоне. Может это и лучше, чем когда он встроен в блок как например в Опелевских F14D4. Тут если с обратным клапаном проблема просто поменял фильтр на новый и всё, а там нужно в двигатель лезть. Ну а нам нужно брать только хорошие, надёжные масляные фильтры, не скупиться. -------------------- Андрей SPORTAGE Кореец 1995г., доресталинг, короткий, MPI-SOHC, 8 V, 95 л.с., цвет - вишня, МКП, газовое оборудование OMVL SAVER-4.
|
| Ермыч |
Jul 26 2014, 02:53 PM
Сообщение
#28
|
![]() властелин грязи ![]() ![]() ![]() ![]() ![]() ![]() ![]() ![]() ![]() ![]() Группа: завсегдатый Сообщений: 2,999 Регистрация: 17-December 13 Пользователь №: 12,754 место дислокации: Брянск |
А где это написано? и кто это сказал? Давление масла, как и давление топлива, должно быть на хх не менее 2,2 бар на прогретом двигателе, а при небольшом увеличении оборотов, должно доходить до 5 бар (срабатывает клапан). На двигателе после переборки, давление на прогретом на хх около 4 бар и при малейшем нажатии на газ 5 бар. И масляный фильтр здесь не причём, с клапаном он или без- не важно, т.к. фильтр стоит последовательно в системе. Есть много машин, у которых масляный фильтр это картридж. Например Спортаж 2 (КМ) 2л-дизель VGT, Соренто 2,5 дизель,БМВ бензин\дизель, VW, Ситроены. Это назыается-экологический масляный фильтр. Насчёт гнутых валов. За свои 36 лет, видел и гнутые к.валы и гнутые р.валы,причём уже давно, кому интересно, могу провести экскурсию в Москве с натуральными экспонатами. Господа, какой дренажный клапан!!!!!, где он!!!!!, вы книжек про канализацию и водоснабжение начитались???? Вы меня простите, уважаемый, но прежде чем так горделиво назидающе такую ахинею нести, нужно же свои домыслы хоть как то с доступными данными об устройствах и принципах работы двигателя сверить... Ещё ладно, что такими высокомерными криками себя с неумной стороны выставляете, так ведь других людей в водите в заблуждение. "Где это написано? Кто сказал?" - так ведь в мануалах устройства и ремонта двигателей написано, в чертежах устройства масляной системы двигателей нарисовано. Я не встречал ещё такого ДВС автомобиля, который бы не имел обратный клапан для удержание масла в системе и предотвращения его слива в поддон. А вот Вы где вычитали такое, что в системе смазки двигателя не бывает обратных клапанов? Кто Вам такое сказал? Кто Вам сказал, что на прогретом двигателе Спортажа 1 давление масла должно быть не менее 2,2 атм.? Где Вы нашли такие данные? Или Вы считаете, что так должно быть на всех двигателях? Вот выписка из мануала на ВАЗ - 2112 - "У исправного,прогретого двигателя,давление масла на оборотах холостого хода должно быть не менее 60кПа (0,6 бар). Если давление ниже,двигатель нуждается в ремонте..." "ДВС змз-406 двигатель после капиталки, масло ZIC 10w40 - давление масла на холодную 3 очка на горячую 1 очко - это норма." Если нужно, могу ещё кучу примеров привести когда давление на прогретом двигателе на холостых ниже 1 атм. считается нормой... Например на двигателях ЗАЗ ШАНС.. -------------------- Андрей SPORTAGE Кореец 1995г., доресталинг, короткий, MPI-SOHC, 8 V, 95 л.с., цвет - вишня, МКП, газовое оборудование OMVL SAVER-4.
|
| Александр 533 |
Jul 26 2014, 07:22 PM
Сообщение
#29
|
![]() вне рангов Группа: завсегдатый Сообщений: 4,002 Регистрация: 17-December 09 Из: Московская обл. Щелковский р-он. Пользователь №: 7,043 место дислокации: Московская обл. |
Вы меня простите, уважаемый, но прежде чем так горделиво назидающе такую ахинею нести, нужно же свои домыслы хоть как то с доступными данными об устройствах и принципах работы двигателя сверить... Ещё ладно, что такими высокомерными криками себя с неумной стороны выставляете, так ведь других людей в водите в заблуждение. "Где это написано? Кто сказал?" - так ведь в мануалах устройства и ремонта двигателей написано, в чертежах устройства масляной системы двигателей нарисовано. Я не встречал ещё такого ДВС автомобиля, который бы не имел обратный клапан для удержание масла в системе и предотвращения его слива в поддон. А вот Вы где вычитали такое, что в системе смазки двигателя не бывает обратных клапанов? Кто Вам такое сказал? Кто Вам сказал, что на прогретом двигателе Спортажа 1 давление масла должно быть не менее 2,2 атм.? Где Вы нашли такие данные? Или Вы считаете, что так должно быть на всех двигателях? Вот выписка из мануала на ВАЗ - 2112 - "У исправного,прогретого двигателя,давление масла на оборотах холостого хода должно быть не менее 60кПа (0,6 бар). Если давление ниже,двигатель нуждается в ремонте..." "ДВС змз-406 двигатель после капиталки, масло ZIC 10w40 - давление масла на холодную 3 очка на горячую 1 очко - это норма." Если нужно, могу ещё кучу примеров привести когда давление на прогретом двигателе на холостых ниже 1 атм. считается нормой... Например на двигателях ЗАЗ ШАНС.. -------------------- Sportаge 2005, гранд, МКПП, бензин, 128 л/с, 16 кл. Калининград, лето - BFGoodrich All Terrain - T/A LT215/75/15 KO2, зима Marshal- KC 11 215/75/15, шиповка, всё на нивской штамповке, стальное брюхо 4 мм из 4 частей, силовой передний бампер, хай-джек, лифт-мейт, хабы - болтики "а-ля Тамбов".
Хочу, могу, умею и буду... |
| Akad |
Jul 26 2014, 08:19 PM
Сообщение
#30
|
|
грязелюбитель ![]() ![]() ![]() Группа: завсегдатый Сообщений: 180 Регистрация: 24-April 11 Пользователь №: 9,455 место дислокации: Воронеж |
Когда открывается редукционный клапан - давление резко падает, лампа загорается априори. Мммм... А почему лампочка-то загорится? Ну сбросит он давление с 5 очков до 3-х (или на что он настроен?) и всё. Давление в системе должно остаться. -------------------- Кореец 1993г.в. Двиг 2.2, в правильной SOHC ГБЦ с мозгом megasquirt 3. Вообще не сток.
|
| Александр 533 |
Jul 26 2014, 08:24 PM
Сообщение
#31
|
![]() вне рангов Группа: завсегдатый Сообщений: 4,002 Регистрация: 17-December 09 Из: Московская обл. Щелковский р-он. Пользователь №: 7,043 место дислокации: Московская обл. |
Мммм... А почему лампочка-то загорится? Ну сбросит он давление с 5 очков до 3-х (или на что он настроен?) и всё. Давление в системе должно остаться. Потому что масло пойдет не в систему, а на слив, в поддон. Сколько там очков - не знаю. Лампа загорается сразу. -------------------- Sportаge 2005, гранд, МКПП, бензин, 128 л/с, 16 кл. Калининград, лето - BFGoodrich All Terrain - T/A LT215/75/15 KO2, зима Marshal- KC 11 215/75/15, шиповка, всё на нивской штамповке, стальное брюхо 4 мм из 4 частей, силовой передний бампер, хай-джек, лифт-мейт, хабы - болтики "а-ля Тамбов".
Хочу, могу, умею и буду... |
| oRDoSS |
Jul 26 2014, 10:16 PM
Сообщение
#32
|
![]() рыцарь печального образа ![]() ![]() ![]() ![]() ![]() ![]() ![]() Группа: завсегдатый Сообщений: 520 Регистрация: 8-March 12 Пользователь №: 10,151 место дислокации: Краснодарский край, Новороссийск |
Цитата драндулеты на проволоках и синей изоленте держатся. Неправда. У меня на проволке держится только глушак, а изолента черная - в цвет кузова. Остальное что отваливалось - держится на пластиковых хомутиках из строймагазина... Если же вернутся к теме - у меня такая же ситуация началась после замены ремней, роликов и т.п Что как-то немного напрягает. -------------------- Коротыш апрель '96 (дорестайл): 16-клапанник с АКПП, лифт, регулируемая панара,
31-е максисы, ГАЗелевские форсунки, обвес - силовик и пороги, лебедка. ----------------------- В жизни всегда есть место подвигу. Я стараюсь держаться от этого места подальше. |
| шадринск |
Jul 27 2014, 08:28 AM
Сообщение
#33
|
![]() Обитатель грязи! ![]() ![]() ![]() ![]() ![]() ![]() ![]() Группа: завсегдатый Сообщений: 800 Регистрация: 30-December 13 Из: курганская область 45 rus Пользователь №: 12,799 место дислокации: курганская область |
ребята я вот скора хочу слить старое масло залил мобил 10w40 аналог ессоо щас ессо убрали стали делать мобил так вот тут почитал на корейском форуме там хвалят масло ениос ENEOS оно идёт в металических банках цена приемлимая вот хочу его залить тока думаю к зиме надо пятёрку 5w40. cкажите ездил ли кто на таком масле? на 10тке у меня сейчас по утру гидрики цокают пару секунд пока ненагреется на пятёрке раньше тишина была и лампочка вспомнил гасла чётка что зимой что летом
-------------------- калининград 2006-короткий
|
| Александр 533 |
Jul 27 2014, 10:52 AM
Сообщение
#34
|
![]() вне рангов Группа: завсегдатый Сообщений: 4,002 Регистрация: 17-December 09 Из: Московская обл. Щелковский р-он. Пользователь №: 7,043 место дислокации: Московская обл. |
ребята я вот скора хочу слить старое масло залил мобил 10w40 аналог ессоо щас ессо убрали стали делать мобил так вот тут почитал на корейском форуме там хвалят масло ениос ENEOS оно идёт в металических банках цена приемлимая вот хочу его залить тока думаю к зиме надо пятёрку 5w40. cкажите ездил ли кто на таком масле? на 10тке у меня сейчас по утру гидрики цокают пару секунд пока ненагреется на пятёрке раньше тишина была и лампочка вспомнил гасла чётка что зимой что летом Я ездил на Мобил 5w50 пару лет. И пару - на 10w40. С пятерки слез, т.к. дороговато чото. -------------------- Sportаge 2005, гранд, МКПП, бензин, 128 л/с, 16 кл. Калининград, лето - BFGoodrich All Terrain - T/A LT215/75/15 KO2, зима Marshal- KC 11 215/75/15, шиповка, всё на нивской штамповке, стальное брюхо 4 мм из 4 частей, силовой передний бампер, хай-джек, лифт-мейт, хабы - болтики "а-ля Тамбов".
Хочу, могу, умею и буду... |
| шадринск |
Jul 27 2014, 02:08 PM
Сообщение
#35
|
![]() Обитатель грязи! ![]() ![]() ![]() ![]() ![]() ![]() ![]() Группа: завсегдатый Сообщений: 800 Регистрация: 30-December 13 Из: курганская область 45 rus Пользователь №: 12,799 место дислокации: курганская область |
сегодня был в магазине нашёл масло ениос 5вэ 40 цена 1400 за четыре литра буду брать его
-------------------- калининград 2006-короткий
|
| Ермыч |
Jul 27 2014, 10:09 PM
Сообщение
#36
|
![]() властелин грязи ![]() ![]() ![]() ![]() ![]() ![]() ![]() ![]() ![]() ![]() Группа: завсегдатый Сообщений: 2,999 Регистрация: 17-December 13 Пользователь №: 12,754 место дислокации: Брянск |
Ермыч-не нервничай. Здесь не все инженеры механики-практики, много ботаников с гамунитарным образованием. Нужно обьяснять образно, с яркими примерами (вот эта синяя лампочка может загореться зеленым...). Простите меня, конечно... Не сдержался немного в эмоциях... Я ведь и сам "ботаник", хотя в советское время работал инженером в самом крупном автосервисе Брянска и начальником участка блоков завода тепловозных дизелей, но всё равно - "ботаник" в современных двигателях с их наворотами. Никогда не стану утверждать с таким апломбом и восклицательными знаками то, чего не знаю с полной достоверностью. Но тут же элементарная техническая безграмотность преподносится как неоспоримая истина, да ещё и с грубым сарказмом типа, - вы чего с ума сошли, сантехники насмотрелись... -------------------- Андрей SPORTAGE Кореец 1995г., доресталинг, короткий, MPI-SOHC, 8 V, 95 л.с., цвет - вишня, МКП, газовое оборудование OMVL SAVER-4.
|
| BFGoodrich |
Jul 28 2014, 03:31 AM
Сообщение
#37
|
![]() не предатель Группа: завсегдатый Сообщений: 3,181 Регистрация: 25-July 07 Из: Москва Пользователь №: 2,931 место дислокации: Москва ЮВАО Люблино |
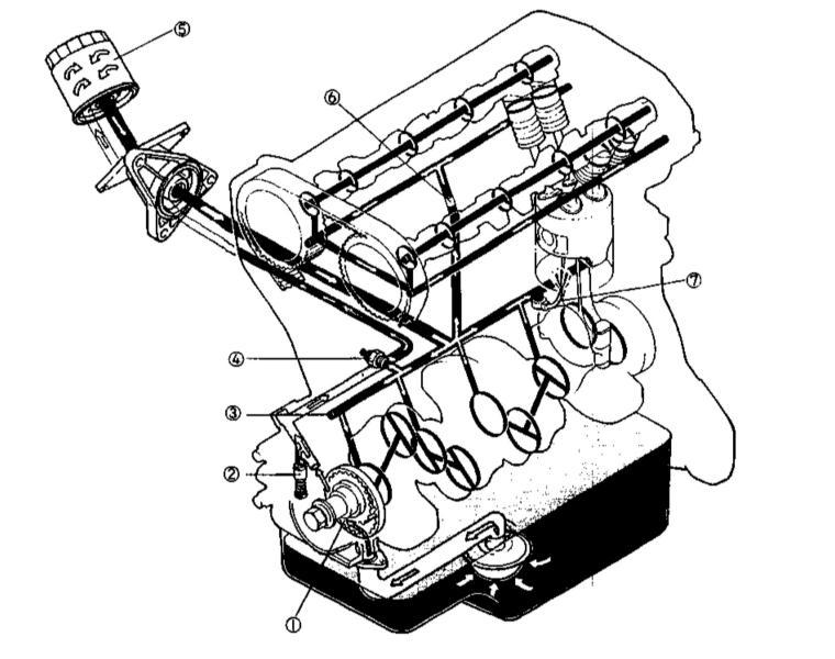
Вы меня простите, уважаемый, но прежде чем так горделиво назидающе такую ахинею нести, нужно же свои домыслы хоть как то с доступными данными об устройствах и принципах работы двигателя сверить... Ещё ладно, что такими высокомерными криками себя с неумной стороны выставляете, так ведь других людей в водите в заблуждение. "Где это написано? Кто сказал?" - так ведь в мануалах устройства и ремонта двигателей написано, в чертежах устройства масляной системы двигателей нарисовано. Я не встречал ещё такого ДВС автомобиля, который бы не имел обратный клапан для удержание масла в системе и предотвращения его слива в поддон. А вот Вы где вычитали такое, что в системе смазки двигателя не бывает обратных клапанов? Кто Вам такое сказал? Кто Вам сказал, что на прогретом двигателе Спортажа 1 давление масла должно быть не менее 2,2 атм.? Где Вы нашли такие данные? Или Вы считаете, что так должно быть на всех двигателях? Вот выписка из мануала на ВАЗ - 2112 - "У исправного,прогретого двигателя,давление масла на оборотах холостого хода должно быть не менее 60кПа (0,6 бар). Если давление ниже,двигатель нуждается в ремонте..." "ДВС змз-406 двигатель после капиталки, масло ZIC 10w40 - давление масла на холодную 3 очка на горячую 1 очко - это норма." Если нужно, могу ещё кучу примеров привести когда давление на прогретом двигателе на холостых ниже 1 атм. считается нормой... Например на двигателях ЗАЗ ШАНС.. Вопрос был про клапан в фильтре, так вот есть фильтры картриджного типа, в которых нет клапанов вообще и в масляной системе стоит как и на всех машинах только редукционный клапан в насосе, о чём было сказано выше. Это Вам для справки, поищите в интернете прежде чем спорить, я думаю там много информации на этот счёт. По поводу давления масла. Господа, я работаю в клубном автосервисе в Москве и двигатели на Спортажах соклубников перебираю только я ))), поэтому по поводу давления масла это практические данные. К вам тогда вопрос, сколько двигателей на Спортажах перебрали ВЫ и какое давление масла было в Вашем случае? Не на Опеле, не на Ниве, не на Волге , а на Спортаже??? И не в теории, а на практике? А насчёт образования, я с вами готов поспорить. Про ЗАЗ Шанс. На многих двигателях установлен датчик аварийного давления масла, который срабатывает при давлении ниже 0,5 атм. так вот это давление считается минимально допустимым. А максимальное давление, ограниченно только редукционным клапаном насоса, пусть оно будет 5 атм. Соответственно, в идеальном варианте, давление масла и на хх и на высоких оборотах должно быть 5 атм, но это в идеале. Если двигатель откапитален хорошо, то и давление масла на прогретом двс на хх будет высоким. Далее, по мере износа двс, давление масляной системы будет падать, но это не будет критичным значением , если изначально давление было высоким. А вот как Вы говорите про ЗАЗ Шанс, если по мере износа двс , на этом двигателе нет запаса по давлению, и лампа аварийного давления будет со временем гореть на хх, что недопустимо. Поэтому, если после капиталки на ЗАЗ Шанс , давление на хх будет ниже 1 атм, то это будет говорить, о том, что работа моториста выполнена некачественно. И у такого двигателя будет очень маленький ресурс, т.к. нет запаса по давлению масла. "Где это написано? Кто сказал?" - так ведь в мануалах устройства и ремонта двигателей написано, в чертежах устройства масляной системы двигателей нарисовано. Я не встречал ещё такого ДВС автомобиля, который бы не имел обратный клапан для удержание масла в системе и предотвращения его слива в поддон. Вот Вам уважаемый, схема масляной системы автомобиля Киа Спортаж. Земетьте, не ЗМЗ, не Ваз и не даже ЗАЗ Шанс т.д.))) Вопрос знатокам!!!! Внимание!!! Покажите на схеме канал, по которому масло сливается из масляного фильтра в поддон ( по версии господ Ермыча и Александра 533)? Ответы типа он здесь не нарисован, не принимаются. Следующий вопрос тогда будет такой, в сентябре примерно, будет перебираться двигатель на Спортаже, я готов Вас пригласить, чтобы Вы мне показали наглядно на этом двигателе, канал по которому масло будет сливаться в поддон, если я удалю полностью все внутренности масляного фильтра. В таком случае, готов Вам оплатить дорогу,трансфер, проживание и питание в Москве. В противном случае, готов предоставить Вам рабочее место в клубном автосервисе, на должности автослесарь, на срок 1 месяц, без выплат з/п. -------------------- |
| ingener |
Jul 28 2014, 06:57 AM
Сообщение
#38
|
|
грязелюбитель ![]() ![]() ![]() Группа: завсегдатый Сообщений: 223 Регистрация: 10-September 12 Из: томск Пользователь №: 10,994 место дислокации: Томск |
Не нашел похожей темы про давление масла. Раз уж тут идет речь о давлении при разных оборотах. Подскажите пожалуйста из-за чего может выталкивать щуп и происходить выброс масла через канал щупа при оборотах 5000-6000. Масло не ест, лампочка гаснет через 1-2 секунды на холодную. Еще забрасывает масло через впускной на датчик расхода воздуха. Может клапан вентиляции картерных газов накрылся? я его менял год назад-ставил новый.
-------------------- |
| BFGoodrich |
Jul 28 2014, 11:04 AM
Сообщение
#39
|
![]() не предатель Группа: завсегдатый Сообщений: 3,181 Регистрация: 25-July 07 Из: Москва Пользователь №: 2,931 место дислокации: Москва ЮВАО Люблино |
Не нашел похожей темы про давление масла. Раз уж тут идет речь о давлении при разных оборотах. Подскажите пожалуйста из-за чего может выталкивать щуп и происходить выброс масла через канал щупа при оборотах 5000-6000. Масло не ест, лампочка гаснет через 1-2 секунды на холодную. Еще забрасывает масло через впускной на датчик расхода воздуха. Может клапан вентиляции картерных газов накрылся? я его менял год назад-ставил новый. У вас проблема с системой вентиляции картерных газов, та, что находится в клапанной крышке. Нужно снять кл. кр., открутить в ней 2 маслоотделителя, промыть, прочистить и продуть. Обязательно, на привалочные поверхности нужно нанести герметик. -------------------- |
| Akad |
Jul 28 2014, 12:53 PM
Сообщение
#40
|
|
грязелюбитель ![]() ![]() ![]() Группа: завсегдатый Сообщений: 180 Регистрация: 24-April 11 Пользователь №: 9,455 место дислокации: Воронеж |
Потому что масло пойдет не в систему, а на слив, в поддон. Сколько там очков - не знаю. Лампа загорается сразу. Т.е. - на обгоне, на 6500 об случается излишнее давление в системе, клапан его полностью сбрасывает, загорается лампочка, а через 1 секунду коленвал со вкладышами превращается в единое целое? Так что ли? -------------------- Кореец 1993г.в. Двиг 2.2, в правильной SOHC ГБЦ с мозгом megasquirt 3. Вообще не сток.
|
![]() ![]() |
| Текстовая версия | Сейчас: 17th December 2025 - 12:27 AM |
|
|
|
|
|
|
| Invision Power Board Default Green Skin by Professional n00b |