|
Sportage Club - - дом, где живут Kia Sportage основан в 2006г. |
Внимание! В целях борьбы со спамом, новые пользователи НЕ могут начинать новые темы в форуме. Поэтому просьба задавать вопросы в уже существующих ветках, схожих по тематике. Надеемся на Ваше понимание.

Здравствуйте, гость ( Вход | Регистрация )
|
Индивидуальный подход, запчасти гарантированного качества, многолетний опыт, никакого официоза - дружеская атмосфера! |
Обновление программного обеспечения блока управления двигателем, добавит лошадей, крутящего момента, снизит расход. |
Чистые форсунки - залог хорошей работы двигателя. Мы проверяем и промываем форсунки на профессиональном стенде. |
![]() ![]() |
| vlad04sport |
May 5 2009, 09:03 PM
Сообщение
#21
|
![]() вне рангов Группа: завсегдатый Сообщений: 3,053 Регистрация: 5-February 09 Из: Новочеркасск Пользователь №: 5,931 место дислокации: Новочеркасск |
Вынужден согласиться. ... Они могут прекрасно уметь обращаться с компьютером, но в случае даже минимальной поломки бегут с ним в сервис. У самих нет даже и мысли разобраться в причинах неисправности, и тем более исправить... Значит мой не безнадежен - уже радует! У меня собралась куча автоакустики - пока себе подбирал-перебирал... Так он с ними что только не делал, как только не комбинировал, такие звуковые колонны собирал. А сейчас возится с электрогитарой - пытается улучшить звук. А играет очень толково - не то что мы во дворе в беседке - на несколько порядков лучше, ходит к педагогу. До сути докапывается и делает все на очень хорошем уровне, но только то, что его "зацепило". А вот что действительно настораживает - как уже говорил выше - нелюбознательность: ну все им пофиг и нафиг. И нежелание читать. -------------------- Если зеленое или прыгает - это биология, если воняет - химия, а если не работает - физика...
|
| alldn |
May 5 2009, 09:32 PM
Сообщение
#22
|
![]() властелин грязи ![]() ![]() ![]() ![]() ![]() ![]() ![]() ![]() ![]() ![]() Группа: завсегдатый Сообщений: 2,492 Регистрация: 25-July 08 Из: Тамбов Пользователь №: 5,555 место дислокации: Тамбовская обл, Тамбовский р-н. с. Богословка |
Значит мой не безнадежен - уже радует! Знаешь, может мы просто брюзжим по-стариковски. В принципе все они хорошие. И твой вот учится, к чему-то стремится. Если отмотать малость назад, то помнится и нас нещадно ругали за широкие штаны, прическу как у Битлов, да много за что... Думаю, что в целом наверное мы, и я в частности, не правы. Молодняк у нас не плохой. Давно когда-то, еще в советские времена прочитал цитату по поводу молодого поколения. Там их нещадно ругали, как обычно, необычной была одна только фраза, что все это говорит о скором конце света. (В советские времена такие аргументы не приводили). А так все как обычно - развязаность, сексуальная невоздержанность, пристрастие к напиткам... Ну полный набор. И только в конце было написано, что это цитата из статьи, написанной больше 1000 лет назад. Так что наверное не нужно гнать сильно на нашу молодежь. Все наши претензии остаются прежними на протяжении 1000 лет и ничего страшного не случилось. Конец света не наступил, и каждое новое поколение продолжается этот конфликт отцов и детей. -------------------- |
| КАА |
May 6 2009, 11:53 AM
Сообщение
#23
|
![]() грязелюбитель ![]() ![]() ![]() Группа: завсегдатый Сообщений: 261 Регистрация: 27-January 09 Из: Самара Пользователь №: 5,890 место дислокации: Самара |
Доброго времени суток, тож достала антена еще с зимы, отключил ее. Но так она мне и недовала покоя на днях снял ее и помыл, такое ощущение что не смазка там была а грязь. Смазал заново, думал заработает))))), а нннет. Тогда я пошел по другому пути, купил кнопку стеклоподьемника от ваз 2108 и провода двужильные 5 м. У меня на панели приборов имеются 2 заглушки, вот я и подумал что в заглушке можно вырезать место под кнопку, так и сделал. Только пришлось кнопку стеклоподьемника разобрать до скелета, выкинул все точнее 2 части от нее. после долгих мучений вырезал под кнопку отверстие в заглушке. Кнопку в заглушке закрепил термоклеем. Пистолет для клея 109р и 56р за сам клей. Кнопка и заглушка теперь единое целое. Но если кнопичка поломается ее можно без особого труда поменять. На мой взгляд это плюс термоклея.Из разобранного корпуса антены я удалил блок черный , подключил к мотору на прямую, от антены к кнопке провода.Протягивал их через отверстие куда от антены провод к магнитоле идет только не питания, а именно антены. Подключил все работает. И провода не болтаюся ни где. Но я так думаю что это не во всех случаях, у меня антена трещала, когда полностью выезжала. А если уж она совсем не едет тут наверное это не поможет. Кому надо могу поподробнее, с распиновкой проводов на кнопке, в общем куда что подключать и фоты тож есть.В общем проделанной работой доволен, все заезжает и выезжает)))))))
-------------------- Калининградец 2005 г.в, 2.0 DOHC, 128 л., МКПП
|
| alldn |
May 6 2009, 11:57 AM
Сообщение
#24
|
![]() властелин грязи ![]() ![]() ![]() ![]() ![]() ![]() ![]() ![]() ![]() ![]() Группа: завсегдатый Сообщений: 2,492 Регистрация: 25-July 08 Из: Тамбов Пользователь №: 5,555 место дислокации: Тамбовская обл, Тамбовский р-н. с. Богословка |
Кому надо могу поподробнее, с распиновкой проводов на кнопке, в общем куда что подключать и фоты тож есть.В общем проделанной работой доволен. Конечно лучше бы с фотографиями, возможно кому-нибудь такая схема ремонта будет очень полезна. -------------------- |
| vlad04sport |
May 6 2009, 02:12 PM
Сообщение
#25
|
![]() вне рангов Группа: завсегдатый Сообщений: 3,053 Регистрация: 5-February 09 Из: Новочеркасск Пользователь №: 5,931 место дислокации: Новочеркасск |
Знаешь, может мы просто брюзжим по-стариковски. В принципе все они хорошие. И твой вот учится, к чему-то стремится. Если отмотать малость назад, то помнится и нас нещадно ругали за широкие штаны, прическу как у Битлов, да много за что... Думаю, что в целом наверное мы, и я в частности, не правы. Молодняк у нас не плохой. .... И только в конце было написано, что это цитата из статьи, написанной больше 1000 лет назад. Так что наверное не нужно гнать сильно на нашу молодежь. Все наши претензии остаются прежними на протяжении 1000 лет и ничего страшного не случилось. Конец света не наступил, и каждое новое поколение продолжается этот конфликт отцов и детей. Если не ошибаюсь - это то ли наставление то ли донесение египетских жрецов о настроениях молодежи фараону - не помню какому. Он после 15-20-летнего мира войнушку с кем-то затевал, ну и интересовался - тоже попадалось... если конечно то. И вообще - я не знаю кто кого больше воспитывал. Он у меня когда родился, я еще студентом был... -------------------- Если зеленое или прыгает - это биология, если воняет - химия, а если не работает - физика...
|
| vlad04sport |
May 6 2009, 10:33 PM
Сообщение
#26
|
![]() вне рангов Группа: завсегдатый Сообщений: 3,053 Регистрация: 5-February 09 Из: Новочеркасск Пользователь №: 5,931 место дислокации: Новочеркасск |
У меня SONY CDX-R3300EE - тоже антенна выдвигается только в режиме радио. До этого (сто лет назад) был какой-то кассетный нонейм, но и на нем был проводок, на котором + появлялся только во время радио. Поподробнее можно? У меня такая же - Xpidb! ей правда в обед 100 лет, но это же Sony - все работает. Крышка для СD откидывается вручную вниз и она же "Eject"? переставлял сам с 12-ки - фишка подошла и все.... Только сегодня обратил внимание на модель вставляя панельку - обычно ее и не снимаю, но был в другом городе - убрал в бардачок от греха - как говорится. "Собачье имя" модели не помнил - обратил внимание и вспомнил Ваш пост.... просто на цифры память хорошая где-то в течение недели... -------------------- Если зеленое или прыгает - это биология, если воняет - химия, а если не работает - физика...
|
| Mark_KA |
May 10 2009, 04:35 PM
Сообщение
#27
|
![]() Обитатель грязи! ![]() ![]() ![]() ![]() ![]() ![]() ![]() Группа: завсегдатый Сообщений: 585 Регистрация: 4-May 07 Из: Ульяновск Пользователь №: 2,682 место дислокации: Ульяновск |
|
| vlad04sport |
May 11 2009, 08:41 PM
Сообщение
#28
|
![]() вне рангов Группа: завсегдатый Сообщений: 3,053 Регистрация: 5-February 09 Из: Новочеркасск Пользователь №: 5,931 место дислокации: Новочеркасск |
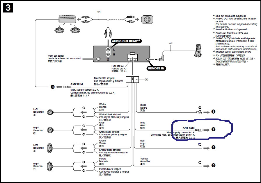
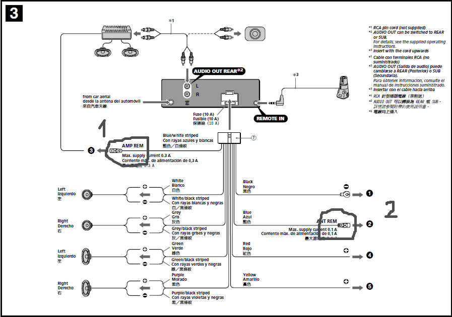
Ага. Такая. Вот схема подключения. Спасибо! Но что-то с наскока не получилось Правильно ли я поступил? P.S. Зато антенну просто почистил, контакты были просто в ужасном состоянии - шуршит практически без звука! Эскизы прикрепленных изображений -------------------- Если зеленое или прыгает - это биология, если воняет - химия, а если не работает - физика...
|
| Сергей С. |
May 11 2009, 09:50 PM
Сообщение
#29
|
![]() грязелюбитель ![]() ![]() ![]() Группа: завсегдатый Сообщений: 253 Регистрация: 4-May 08 Из: Коломна Пользователь №: 5,127 место дислокации: пр.Кирова |
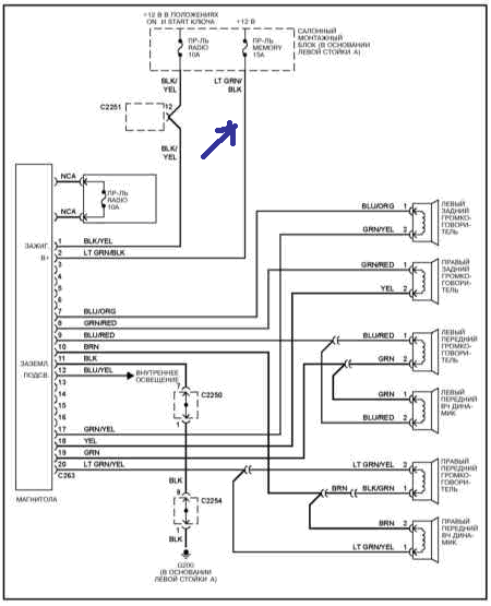
Насколько я понял, неправильно. Вы подключились к линии запитки памяти, котораяпостоянно под напряжением. На правой схеме нужная цепь отсутствует. Намоем Спортаже нужная линия была на 3-м контакте КИА-шного разъема. Провод - желтый. К нему и подцепился. На ИСО-шном разъеме это синий провод
|
| vlad04sport |
May 11 2009, 10:46 PM
Сообщение
#30
|
![]() вне рангов Группа: завсегдатый Сообщений: 3,053 Регистрация: 5-February 09 Из: Новочеркасск Пользователь №: 5,931 место дислокации: Новочеркасск |
Насколько я понял, неправильно. Вы подключились к линии запитки памяти, котораяпостоянно под напряжением. На правой схеме нужная цепь отсутствует. Намоем Спортаже нужная линия была на 3-м контакте КИА-шного разъема. Провод - желтый. К нему и подцепился. На ИСО-шном разъеме это синий провод Спасибо за подсказку! Жаль стемнело - завтра проверю. Постоянное напряжение на ней - убедился. Эффект, соответственно - 0. Тыком пользоваться боязно - поэтому спросил. Я когда подсоединял музыку - пользовался этой (правой) схемой. Все заработало, а автоматических антенн у меня до этого не было - поэтому значения не придал. -------------------- Если зеленое или прыгает - это биология, если воняет - химия, а если не работает - физика...
|
| vlad04sport |
May 22 2009, 10:34 PM
Сообщение
#31
|
![]() вне рангов Группа: завсегдатый Сообщений: 3,053 Регистрация: 5-February 09 Из: Новочеркасск Пользователь №: 5,931 место дислокации: Новочеркасск |
Насколько я понял, неправильно. Вы подключились к линии запитки памяти, котораяпостоянно под напряжением. На правой схеме нужная цепь отсутствует. Намоем Спортаже нужная линия была на 3-м контакте КИА-шного разъема. Провод - желтый. К нему и подцепился. На ИСО-шном разъеме это синий провод Ура! победил! Спасибо - все именно так и есть! А так долго маялся - времени не хватало на процедуру - умник, который ставил майфун предыдущему хозяину - сам он этого не делал, т.к. ему сказали, что гарантия на проводку-электрику накроется, если полезет сам - ставили в авторизованной мастерской, весь пучок проводов на сколько хватало его рук - замотал изолентой Больше часа раскручивать изоленту - ох и не пожалел ее установщик Я весь комплект скомплектовал на 3-х хомутиках, а неиспользуемый - в термоусадочный кембрик. Ага. Такая. Вот схема подключения. Спасибо - а то книжка сгинула незнамо куда, остался только товарно-кассовый - оказывается, что купил я ее сегодня в 05 году! День рождения! Сообщение отредактировал vlad04sport - May 22 2009, 10:36 PM Эскизы прикрепленных изображений -------------------- Если зеленое или прыгает - это биология, если воняет - химия, а если не работает - физика...
|
| коста1 |
May 28 2009, 10:04 AM
Сообщение
#32
|
|
4х4 ![]() Группа: свой Сообщений: 16 Регистрация: 15-May 09 Пользователь №: 6,260 место дислокации: уфа башкирия |
Цитата(ПростоЖ @ &pr 29 2009, 10:28 PM) [sn&pb&ck]72266[/sn&pb&ck] А у меня сама убирается при включении кассеты или диска, но я б все равно сделал бы кнопочку для леса я разорвал провод питания антенны от магнитолы и поставил кнопочку в заглушку рядом с кнопкой дворника заднего стекла. Очень удобно. Очень бесило ее бесконечное ерзанье. |
| Лис |
May 29 2009, 11:50 AM
Сообщение
#33
|
|
4х4 ![]() Группа: свой Сообщений: 5 Регистрация: 29-May 09 Пользователь №: 6,305 место дислокации: Москва |
Народ.... здрасти.... всем кстати...
прошу любить и жаловать пополнившего ваши ряды владельцев спортяг.... вот хочу у вас побестолковиться.... на спортягу 94 года наружние зеркала поменять - дорогое удовольствие.....?? они с подогревом и регулируемые... но сцука битые(((( есть ли какие - нибудь бюджетные варианты? например от Наших вазов или газов не подойдут? |
| vlad04sport |
May 29 2009, 01:03 PM
Сообщение
#34
|
![]() вне рангов Группа: завсегдатый Сообщений: 3,053 Регистрация: 5-February 09 Из: Новочеркасск Пользователь №: 5,931 место дислокации: Новочеркасск |
Народ.... здрасти.... всем кстати... прошу любить и жаловать пополнившего ваши ряды владельцев спортяг.... вот хочу у вас побестолковиться.... :32&: на спортягу 94 года наружние зеркала поменять - дорогое удовольствие.....?? они с подогревом и регулируемые... но сцука битые(((( есть ли какие - нибудь бюджетные варианты? например от Наших вазов или газов не подойдут? Поздравляю! А с твоим вопросам тебе сюда: http://www.sportage-club.com/ipb/index.php?showtopic=3329# Изучай. Удачи! -------------------- Если зеленое или прыгает - это биология, если воняет - химия, а если не работает - физика...
|
| gendos |
May 31 2009, 10:32 PM
Сообщение
#35
|
![]() Обитатель грязи! ![]() ![]() ![]() ![]() ![]() ![]() ![]() Группа: завсегдатый Сообщений: 989 Регистрация: 22-February 09 Пользователь №: 5,985 место дислокации: г.Рязань |
Перестала подавать признаки жизни антена. Отсоеденил разъем питания нет. Вопрос , управляющий провод идет от магнитолы и есть ли какой нибудь предохранитель. Майфун двух диновый, штатный, касетный. Кореец 1995 год.
-------------------- Чудес на свете не бывает.
|
| vlad04sport |
May 31 2009, 11:46 PM
Сообщение
#36
|
![]() вне рангов Группа: завсегдатый Сообщений: 3,053 Регистрация: 5-February 09 Из: Новочеркасск Пользователь №: 5,931 место дислокации: Новочеркасск |
Перестала подавать признаки жизни антена. Отсоеденил разъем питания нет. Вопрос , управляющий провод идет от магнитолы и есть ли какой нибудь предохранитель. Майфун двух диновый, штатный, касетный. Кореец 1995 год. Тут есть: http://sportage-club.com/index.php?option=...id=71&Itemid=25 Я по этой статье шел - только не менял, а обслужил и стала шуршать. В начале данной темы Александр Alldn тоже говорил. -------------------- Если зеленое или прыгает - это биология, если воняет - химия, а если не работает - физика...
|
| КАА |
Jun 1 2009, 04:27 PM
Сообщение
#37
|
![]() грязелюбитель ![]() ![]() ![]() Группа: завсегдатый Сообщений: 261 Регистрация: 27-January 09 Из: Самара Пользователь №: 5,890 место дислокации: Самара |
Перестала подавать признаки жизни антена. Отсоеденил разъем питания нет. Вопрос , управляющий провод идет от магнитолы и есть ли какой нибудь предохранитель. Майфун двух диновый, штатный, касетный. Кореец 1995 год. Провод идет от майфуна помоему фиолетовый, не помну надо глянуть, но у меня 2005 г Кал. И от антены на майфун антенный провод. Антену пробовал на прямую запитать от аккума? Только плюс с минусом в колодке антенного штекера местами меняй, тк в зависимости от того где плюс с минусом, зависит заезжает она или выезжает. Если заработает тогда наверное где то в проводке или реле.... -------------------- Калининградец 2005 г.в, 2.0 DOHC, 128 л., МКПП
|
| КАА |
Jun 1 2009, 04:38 PM
Сообщение
#38
|
![]() грязелюбитель ![]() ![]() ![]() Группа: завсегдатый Сообщений: 261 Регистрация: 27-January 09 Из: Самара Пользователь №: 5,890 место дислокации: Самара |
Вот мой фотоотчет ремонта антены 1 часть изготовление кнопки. Понадобится заглушка кнопки ( уменя их на панели 2 шт. было). И кнопка стеклоподьемника ваз 2108. Выковыриваем все перегородки в заглушке, и делаем из нее рамку будущей кнопки. Кнопку стеклоподъемника разбираем до скелета, те все что можно отщелкиваем. И с помощью термоклея (по случаю приобрел пистолет 109 р, и клей к ниму 56р.) заливаем кнопку в заглушке, ждем пока застынет. Срезаем все не нужное и кнопка готова
Эскизы прикрепленных изображений -------------------- Калининградец 2005 г.в, 2.0 DOHC, 128 л., МКПП
|
| КАА |
Jun 3 2009, 11:28 AM
Сообщение
#39
|
![]() грязелюбитель ![]() ![]() ![]() Группа: завсегдатый Сообщений: 261 Регистрация: 27-January 09 Из: Самара Пользователь №: 5,890 место дислокации: Самара |
Фотоотчет 2. На фото один разобранная вазовская кнопка.Из которой нам понадобится сама кнопка. На втором фото распиновка проводов.Колодка с проводами шла вместе с кнопкой. Красный "+", Зеленый, желтый, черный "масса", Оранжевый и коричневый на антенну, только надо сначала проверить чтоб она правильно работала, те если нажимаешь вверх на кнопке антенна должна везжать, и в обратном порядке. С антенны из нутри ее отрезана отрезана схема, подключается на прямую. Синий провод "подсветка". Может какие тонкости не отписал спрашивайте отвечу)))))))
Эскизы прикрепленных изображений -------------------- Калининградец 2005 г.в, 2.0 DOHC, 128 л., МКПП
|
| myasnik13 |
Nov 18 2010, 11:27 PM
Сообщение
#40
|
![]() грязелюбитель ![]() ![]() ![]() Группа: завсегдатый Сообщений: 277 Регистрация: 22-June 09 Из: Москва Пользователь №: 6,391 место дислокации: г. Москва, СВАО, Бабушкинская |
Хочу установить себе активную антенну.
Подскажите пожалуйста есть ли на разъёме питания штатной антенны-автомата "постоянный +"???? Или придётся с аккумулятора через предохранитель подключать??? -------------------- |
![]() ![]() |
| Текстовая версия | Сейчас: 3rd November 2025 - 09:45 AM |
|
|
|
|
|
|
| Invision Power Board Default Green Skin by Professional n00b |