|
Sportage Club - - дом, где живут Kia Sportage основан в 2006г. |
Внимание! В целях борьбы со спамом, новые пользователи НЕ могут начинать новые темы в форуме. Поэтому просьба задавать вопросы в уже существующих ветках, схожих по тематике. Надеемся на Ваше понимание.

Здравствуйте, гость ( Вход | Регистрация )
|
Индивидуальный подход, запчасти гарантированного качества, многолетний опыт, никакого официоза - дружеская атмосфера! |
Обновление программного обеспечения блока управления двигателем, добавит лошадей, крутящего момента, снизит расход. |
Чистые форсунки - залог хорошей работы двигателя. Мы проверяем и промываем форсунки на профессиональном стенде. |
![]() ![]() |
| BIKERS150RUS |
Sep 7 2015, 02:57 PM
Сообщение
#1
|
![]() 4х4 ![]() Группа: свой Сообщений: 9 Регистрация: 10-March 10 Пользователь №: 7,580 место дислокации: МОС-ОБЛ. Серпуховской р-он. П. Пролетарский |
НЕТ СИГНАЛА НА РЕЛЕ СВЕЧЕЙ НАКАЛИВАНИЯ НО ПРИ ВОЗВРАТЕ КЛЮЧА ЗАЖ НА 1-2 ММ СВЕЧИ ПОЛУЧАЮТ НАПРУГУ И РАБОТАЮТ НО НЕТ ПЕРИОДИЧЕСКОГО ВКЛЮЧЕНИЯ ПРОГРЕВА.
|
| ПростоЖ |
Sep 8 2015, 09:20 AM
Сообщение
#2
|
![]() властелин грязи ![]() ![]() ![]() ![]() ![]() ![]() ![]() ![]() ![]() ![]() Группа: завсегдатый Сообщений: 1,950 Регистрация: 15-April 08 Пользователь №: 4,985 место дислокации: Около Перми |
Если это не замок зажигания, то "мозги" двига, искать такую же машину перекинуться "мозгами", думаю что причина выявится.
А вообще для начала надо определится с машинкой, какая? 2,0TD 2,2 -------------------- "Кореец" 2002 автомат TDI
|
| BIKERS150RUS |
Sep 8 2015, 11:56 AM
Сообщение
#3
|
![]() 4х4 ![]() Группа: свой Сообщений: 9 Регистрация: 10-March 10 Пользователь №: 7,580 место дислокации: МОС-ОБЛ. Серпуховской р-он. П. Пролетарский |
Если это не замок зажигания, то "мозги" двига, искать такую же машину перекинуться "мозгами", думаю что причина выявится. А вообще для начала надо определится с машинкой, какая? 2,0TD 2,2 ЗАМОК ПОМЕНЯЛ МАШИНА 2L ТУРБ-Д 1ГОД ПРОСТОЯЛА КАП РЕМОНТ ДВИГ БЫЛ ДО ЭТОГО ВСЁ РАБОТАЛО. ХОТЕЛ СВОИМИ СИЛАМИ ПРИДЁТСЯ К ЭЛЕКТРИКАМ ГНАТЬ . СПАСИБО ЗА ОТЗЫВ . |
| Сашок 495 |
Sep 8 2015, 07:17 PM
Сообщение
#4
|
![]() властелин грязи ![]() ![]() ![]() ![]() ![]() ![]() ![]() ![]() ![]() ![]() Группа: завсегдатый Сообщений: 1,605 Регистрация: 19-January 10 Пользователь №: 7,236 место дислокации: г Щелково |
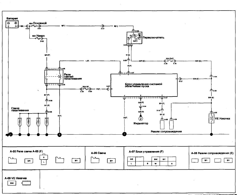
судя по схеме тебе нужно проверить основное питание на реле свечей и управление !!!!!
на разьеме А1 должно быть 12 вольт на В1 после включения зажигания!Но на В1 не появяться 12 в пока на катушке реле С1 С2 не придет команда на включение т е тоже 12 в! нужен тестер или электрик! проверь все разьемы и предохранитель на 60 а под капотом! -------------------- капля в море!
|
| Grachkin |
Jul 12 2017, 09:30 PM
Сообщение
#5
|
![]() 4х4 ![]() Группа: свой Сообщений: 5 Регистрация: 23-March 15 Пользователь №: 14,086 место дислокации: Нижний Новгород |
Цитата(BIKERS150RUS @ Sep 7 2015, 02:57 PM) [sn&pb&ck]411059[/sn&pb&ck] НЕТ СИГНАЛА НА РЕЛЕ СВЕЧЕЙ НАКАЛИВАНИЯ НО ПРИ ВОЗВРАТЕ КЛЮЧА ЗАЖ НА 1-2 ММ СВЕЧИ ПОЛУЧАЮТ НАПРУГУ И РАБОТАЮТ НО НЕТ ПЕРИОДИЧЕСКОГО ВКЛЮЧЕНИЯ ПРОГРЕВА. Добрый вечер! Точно такая же проблема. Подскажи пожалуйста где искать? -------------------- Кореец. 2.0 TD 4WD. 1998г/в
|
| Андрей 55 |
Jul 13 2017, 02:06 AM
Сообщение
#6
|
![]() Самоделошник ![]() ![]() ![]() ![]() ![]() ![]() ![]() ![]() ![]() ![]() Группа: завсегдатый Сообщений: 1,536 Регистрация: 28-August 11 Из: Омская губерня Пользователь №: 9,869 место дислокации: Омск |
Добрый вечер! Точно такая же проблема. Подскажи пожалуйста где искать? Смотри замок, в крайнем случае можно вкалхозить кнопку на свечи. Проверь есть ли напруга на выходе с рэле при включении зажигания. Проверь предохранитель 60А. подкапотом, у меня пару раз плавился, был плахой кантакт, на фишке что идет на свечи, или предохранитель китай хреновый, недержит напругу. Если все это работает, тогда мозги шалят. -------------------- Sportage-Grand 2001 г.в Цвет белый, Истенный КОРЕЕЦ V-2.0, Турбо-дизель, АККП. СиБи. Нивошнорик. Защита брюха сталь 3мм.
Бодилифт 2,5" капралон. Зад: проставки от нексии + пружинки от Опеля -караван- перед: мерсопружины и стойки аля от Соболя +верх шаровый от москвича. Силовые бампера ( сталь 2-3 мм) перед и зад + фаркоп. Силовые подножки.( труба 40мм) Корзина на крыше + зад и перед светлодиодная люстра. Лопата, Стропа рывковая + буксировочная. ХайДжек. Спальник в салоне со шкапчиками и тент-маркиза с маскиткой на экспедиционнике. Резина: Зима 235-75-15 Кордиант "ПОЛАР" ЕТ-45, Лето 235-75-15 NEXEN ЕТ-0 Мечтаю о блокировке и лебедке еще о 31 тапках. ![]() ![]() |
| Grachkin |
Jul 13 2017, 09:05 PM
Сообщение
#7
|
![]() 4х4 ![]() Группа: свой Сообщений: 5 Регистрация: 23-March 15 Пользователь №: 14,086 место дислокации: Нижний Новгород |
Замок ставил другой (есть в запасе) не помогло. Предохранитель поставил новый. Как проверить мозги?
-------------------- Кореец. 2.0 TD 4WD. 1998г/в
|
| Андрей 55 |
Jul 15 2017, 05:14 AM
Сообщение
#8
|
![]() Самоделошник ![]() ![]() ![]() ![]() ![]() ![]() ![]() ![]() ![]() ![]() Группа: завсегдатый Сообщений: 1,536 Регистрация: 28-August 11 Из: Омская губерня Пользователь №: 9,869 место дислокации: Омск |
Замок ставил другой (есть в запасе) не помогло. Предохранитель поставил новый. Как проверить мозги? При повароте ключа рэле вообще щелкает?, должен быть щелчек при включении и патом секунд через несколько опять щелк, это рэле выключилось. Как мозги проверить не подскажу, до этого не доходило. -------------------- Sportage-Grand 2001 г.в Цвет белый, Истенный КОРЕЕЦ V-2.0, Турбо-дизель, АККП. СиБи. Нивошнорик. Защита брюха сталь 3мм.
Бодилифт 2,5" капралон. Зад: проставки от нексии + пружинки от Опеля -караван- перед: мерсопружины и стойки аля от Соболя +верх шаровый от москвича. Силовые бампера ( сталь 2-3 мм) перед и зад + фаркоп. Силовые подножки.( труба 40мм) Корзина на крыше + зад и перед светлодиодная люстра. Лопата, Стропа рывковая + буксировочная. ХайДжек. Спальник в салоне со шкапчиками и тент-маркиза с маскиткой на экспедиционнике. Резина: Зима 235-75-15 Кордиант "ПОЛАР" ЕТ-45, Лето 235-75-15 NEXEN ЕТ-0 Мечтаю о блокировке и лебедке еще о 31 тапках. ![]() ![]() |
| Grachkin |
Jul 15 2017, 12:12 PM
Сообщение
#9
|
![]() 4х4 ![]() Группа: свой Сообщений: 5 Регистрация: 23-March 15 Пользователь №: 14,086 место дислокации: Нижний Новгород |
У меня тоже самое что и впервом сообщении. Зажигание включаешь щелчка нет,а если ключ повернуть на 2 мм назад напруга на свечи идёт. Но после того как завёл постнакала нет.
Сообщение отредактировал Grachkin - Jul 15 2017, 01:23 PM -------------------- Кореец. 2.0 TD 4WD. 1998г/в
|
![]() ![]() |
| Текстовая версия | Сейчас: 25th February 2026 - 02:08 PM |
|
|
|
|
|
|
| Invision Power Board Default Green Skin by Professional n00b |