|
Sportage Club - - дом, где живут Kia Sportage основан в 2006г. |
Внимание! В целях борьбы со спамом, новые пользователи НЕ могут начинать новые темы в форуме. Поэтому просьба задавать вопросы в уже существующих ветках, схожих по тематике. Надеемся на Ваше понимание.

Здравствуйте, гость ( Вход | Регистрация )
|
Индивидуальный подход, запчасти гарантированного качества, многолетний опыт, никакого официоза - дружеская атмосфера! |
Обновление программного обеспечения блока управления двигателем, добавит лошадей, крутящего момента, снизит расход. |
Чистые форсунки - залог хорошей работы двигателя. Мы проверяем и промываем форсунки на профессиональном стенде. |
![]() ![]() |
| Ермыч |
Oct 16 2015, 07:31 PM
Сообщение
#1781
|
![]() властелин грязи ![]() ![]() ![]() ![]() ![]() ![]() ![]() ![]() ![]() ![]() Группа: завсегдатый Сообщений: 2,999 Регистрация: 17-December 13 Пользователь №: 12,754 место дислокации: Брянск |
Что то как то меня совсем не устраивает эффективность задних тормозов. Ясное дело, что задние колодк только поддтормажвают, а основное торможение выполняют передние тормоза. Но вот я поставил новые задние колодки 20 000 км. назад, а они до сих пор не как новые, а именно новые - совсем не малейшего износа. При заведённом двигателе и поднятом заднем колесе прошу человека максимально выжать тормоз, пробую руками прокрутить заднее колесо и оно хоть и с усилием, но прокручивается. Прокачиваются задние тормоза нормально, задние тормозные трубки, тормозной шланг, и центральная длинная трубка новые. Не понимаю в чём может быть дело?
-------------------- Андрей SPORTAGE Кореец 1995г., доресталинг, короткий, MPI-SOHC, 8 V, 95 л.с., цвет - вишня, МКП, газовое оборудование OMVL SAVER-4.
|
| Desson |
Oct 16 2015, 07:59 PM
Сообщение
#1782
|
![]() Обитатель грязи! ![]() ![]() ![]() ![]() ![]() ![]() ![]() Группа: завсегдатый Сообщений: 1,069 Регистрация: 23-February 12 Из: Нижний Новгород Пользователь №: 10,070 место дислокации: Нижний Новгород |
Что то как то меня совсем не устраивает эффективность задних тормозов. Ясное дело, что задние колодк только поддтормажвают, а основное торможение выполняют передние тормоза. Но вот я поставил новые задние колодки 20 000 км. назад, а они до сих пор не как новые, а именно новые - совсем не малейшего износа. При заведённом двигателе и поднятом заднем колесе прошу человека максимально выжать тормоз, пробую руками прокрутить заднее колесо и оно хоть и с усилием, но прокручивается. Прокачиваются задние тормоза нормально, задние тормозные трубки, тормозной шланг, и центральная длинная трубка новые. Не понимаю в чём может быть дело? Возможно подклинивает задние поршни. Или после поездок (км 10 по городу, со светофорами) передние тормозные диски очень горячие? палец обжигают? если нет, тогда думаю вакуумник слабоват уже. А какой вы меняли тормозной шланг? Там их 2 шт на зад идут. 1й между двигателем и рамой. 2й между кузовом и мостом. Колодки шаркают по барабану если колесо вывесить и покрутить? -------------------- Kia Sportage.. у каждого спорт понимается по разному, кто-то в грязь закапывается, а кто-то считает его своей формулой 1..
Гоняю по Нижнему... Зима - начался сезон дрифта. люблю звук нашего движка от 3х и выше тысч Вакуумный привод (реанимированный)+самоблок сзади | 2005г | МКПП | 4WD | 2.0л | 128л.с. | 16 клапанный | бензин | FE | Калининградский гранд | |
| Ермыч |
Oct 16 2015, 11:35 PM
Сообщение
#1783
|
![]() властелин грязи ![]() ![]() ![]() ![]() ![]() ![]() ![]() ![]() ![]() ![]() Группа: завсегдатый Сообщений: 2,999 Регистрация: 17-December 13 Пользователь №: 12,754 место дислокации: Брянск |
Возможно подклинивает задние поршни. Или после поездок (км 10 по городу, со светофорами) передние тормозные диски очень горячие? палец обжигают? если нет, тогда думаю вакуумник слабоват уже. А какой вы меняли тормозной шланг? Там их 2 шт на зад идут. 1й между двигателем и рамой. 2й между кузовом и мостом. Колодки шаркают по барабану если колесо вывесить и покрутить? Колодки шаркают. Шланг менял задний (к мосту). Вакуумник на передний контур работает отлично. Оба задних поршня подклинивать не могут, тем более, что один из них новый, а второй не менял так как он не просится на замену. Думаю, что может быть в главном цилиндре пропускает манжета на задний контур. -------------------- Андрей SPORTAGE Кореец 1995г., доресталинг, короткий, MPI-SOHC, 8 V, 95 л.с., цвет - вишня, МКП, газовое оборудование OMVL SAVER-4.
|
| Desson |
Oct 22 2015, 10:55 PM
Сообщение
#1784
|
![]() Обитатель грязи! ![]() ![]() ![]() ![]() ![]() ![]() ![]() Группа: завсегдатый Сообщений: 1,069 Регистрация: 23-February 12 Из: Нижний Новгород Пользователь №: 10,070 место дислокации: Нижний Новгород |
Чем можно заварить старое отверстие под штуцер в переднем суппорте?
Пробовали полуавтоматом - сварка крошится. В общем аргоном заварили. -------------------- Kia Sportage.. у каждого спорт понимается по разному, кто-то в грязь закапывается, а кто-то считает его своей формулой 1..
Гоняю по Нижнему... Зима - начался сезон дрифта. люблю звук нашего движка от 3х и выше тысч Вакуумный привод (реанимированный)+самоблок сзади | 2005г | МКПП | 4WD | 2.0л | 128л.с. | 16 клапанный | бензин | FE | Калининградский гранд | |
| RuBiker |
Oct 29 2015, 11:27 AM
Сообщение
#1785
|
![]() грязелюбитель ![]() ![]() ![]() Группа: завсегдатый Сообщений: 104 Регистрация: 23-January 11 Пользователь №: 9,010 место дислокации: Архангельск |
Добрый день! Столкнулся с проблемой не понятного глухого звука при торможении в задней части подвески, при нажатии на тормоз идут периодичные глухие стуки уменьшающиеся при уменьшении скорости в плоть до остановки, если при торможении поднять ручник на одно деление то звуки пропадают. Ударов в педаль нет, тормоза прокачал, колодки новые оригинал, буртик на барабане сточил. Что может вызывать такой эффект, все разбирал и смазывал.
|
| Ермыч |
Oct 29 2015, 01:18 PM
Сообщение
#1786
|
![]() властелин грязи ![]() ![]() ![]() ![]() ![]() ![]() ![]() ![]() ![]() ![]() Группа: завсегдатый Сообщений: 2,999 Регистрация: 17-December 13 Пользователь №: 12,754 место дислокации: Брянск |
Добрый день! Столкнулся с проблемой не понятного глухого звука при торможении в задней части подвески, при нажатии на тормоз идут периодичные глухие стуки уменьшающиеся при уменьшении скорости в плоть до остановки, если при торможении поднять ручник на одно деление то звуки пропадают. Ударов в педаль нет, тормоза прокачал, колодки новые оригинал, буртик на барабане сточил. Что может вызывать такой эффект, все разбирал и смазывал. 1. Бывает, что отрываются накладки на тормозной колодке. Нудно снимать барабаны и смотреть состояние тормозных механизмов. 2. Разбит подшипник полуоси. Нужно вывесить колесо и проверить люфты, в том числе и продольный. 3. Разбиты сайлентблоки задней подвески, тяги панара. 4. Увеличенный диаметр колёс или вылет дисков при малой лифтовке. 5. В багажнике болтается забытая всеми бутылка водки. -------------------- Андрей SPORTAGE Кореец 1995г., доресталинг, короткий, MPI-SOHC, 8 V, 95 л.с., цвет - вишня, МКП, газовое оборудование OMVL SAVER-4.
|
| RuBiker |
Oct 29 2015, 02:08 PM
Сообщение
#1787
|
![]() грязелюбитель ![]() ![]() ![]() Группа: завсегдатый Сообщений: 104 Регистрация: 23-January 11 Пользователь №: 9,010 место дислокации: Архангельск |
1. Бывает, что отрываются накладки на тормозной колодке. Нудно снимать барабаны и смотреть состояние тормозных механизмов. 2. Разбит подшипник полуоси. Нужно вывесить колесо и проверить люфты, в том числе и продольный. 3. Разбиты сайлентблоки задней подвески, тяги панара. 4. Увеличенный диаметр колёс или вылет дисков при малой лифтовке. 5. В багажнике болтается забытая всеми бутылка водки. 1,4 и 5 пункт исключаем, остальное может быть, буду проверять. Как проверить 3 пункт? |
| Panzer38 |
Oct 29 2015, 02:35 PM
Сообщение
#1788
|
![]() Я там был... Группа: Супер Администраторы Сообщений: 7,802 Регистрация: 1-February 07 Из: Москва. СЗАО Пользователь №: 2,551 место дислокации: м.Сходненская |
Добрый день! Столкнулся с проблемой не понятного глухого звука при торможении в задней части подвески, при нажатии на тормоз идут периодичные глухие стуки уменьшающиеся при уменьшении скорости в плоть до остановки, если при торможении поднять ручник на одно деление то звуки пропадают. Ударов в педаль нет, тормоза прокачал, колодки новые оригинал, буртик на барабане сточил. Что может вызывать такой эффект, все разбирал и смазывал. Сними-ка снова тормозные барабаны и посмотри - на месте тормозные колодки или нет. "Солдатики" с пружинами, которые притягивают колодки к тормозному щиту, на место поставил? З.Ы. Тут не гадать надо - надо просто взять и посмотреть - что там внутри. -------------------- Mitsubishi Pajero Sport. 3.2d, SS, 2008. синий. лифт подвески +40мм. бокс на крыше.
|
| RuBiker |
Oct 29 2015, 02:42 PM
Сообщение
#1789
|
![]() грязелюбитель ![]() ![]() ![]() Группа: завсегдатый Сообщений: 104 Регистрация: 23-January 11 Пользователь №: 9,010 место дислокации: Архангельск |
Сними-ка снова тормозные барабаны и посмотри - на месте тормозные колодки или нет. "Солдатики" с пружинами, которые притягивают колодки к тормозному щиту, на место поставил? З.Ы. Тут не гадать надо - надо просто взять и посмотреть - что там внутри. вчера все снимал и смотрел, уже раз 5 разобрал собрал. все на месте. Сомнения правда в положении механизма ручника, он должен быть ближе или дальше к пыльнику? Мог перепутать комплекты колодок когда полностью мост разбирал на поиск ударов, подшипники на вид нормальные, без переката и посторонних шумов, редуктор на вид тоже цел и без видимых повреждений, в масле стружки и грязи нет. |
| Ермыч |
Oct 29 2015, 04:42 PM
Сообщение
#1790
|
![]() властелин грязи ![]() ![]() ![]() ![]() ![]() ![]() ![]() ![]() ![]() ![]() Группа: завсегдатый Сообщений: 2,999 Регистрация: 17-December 13 Пользователь №: 12,754 место дислокации: Брянск |
вчера все снимал и смотрел, уже раз 5 разобрал собрал. все на месте. Сомнения правда в положении механизма ручника, он должен быть ближе или дальше к пыльнику? Мог перепутать комплекты колодок когда полностью мост разбирал на поиск ударов, подшипники на вид нормальные, без переката и посторонних шумов, редуктор на вид тоже цел и без видимых повреждений, в масле стружки и грязи нет. Снимите барабан и сфотографируйте то как Вы тормозные цилиндры вместо тормозных колодок поставили. А мы посмотрим и по дружески подскажем - может там нужно кое, что кувалдочкой подправить. -------------------- Андрей SPORTAGE Кореец 1995г., доресталинг, короткий, MPI-SOHC, 8 V, 95 л.с., цвет - вишня, МКП, газовое оборудование OMVL SAVER-4.
|
| Lexadies |
Oct 30 2015, 05:09 PM
Сообщение
#1791
|
![]() гряземяситель ![]() ![]() ![]() ![]() ![]() Группа: завсегдатый Сообщений: 364 Регистрация: 24-November 14 Пользователь №: 13,782 место дислокации: Муром |
Что то как то меня совсем не устраивает эффективность задних тормозов. Ясное дело, что задние колодк только поддтормажвают, а основное торможение выполняют передние тормоза. Но вот я поставил новые задние колодки 20 000 км. назад, а они до сих пор не как новые, а именно новые - совсем не малейшего износа. При заведённом двигателе и поднятом заднем колесе прошу человека максимально выжать тормоз, пробую руками прокрутить заднее колесо и оно хоть и с усилием, но прокручивается. Прокачиваются задние тормоза нормально, задние тормозные трубки, тормозной шланг, и центральная длинная трубка новые. Не понимаю в чём может быть дело? А колдун на моторном отсеке есть на твоем дорестайле? может в нем поршень закис -------------------- Г. Муром , Sportage 2001г DOHC 128л.с. МКПП, Калининградец, Номер рамы сгнил, Утановлен электровентилятор, бронзовые втулки. Продано
TOYOTA CARINA E; TOYOTA Corolla E12 |
| Ермыч |
Oct 30 2015, 05:35 PM
Сообщение
#1792
|
![]() властелин грязи ![]() ![]() ![]() ![]() ![]() ![]() ![]() ![]() ![]() ![]() Группа: завсегдатый Сообщений: 2,999 Регистрация: 17-December 13 Пользователь №: 12,754 место дислокации: Брянск |
А колдун на моторном отсеке есть на твоем дорестайле? может в нем поршень закис Колдуна нет. Есть так называемый обратный клапан системы. Не знаю его истинное назначение и принцип работы. Судя по названию он не разделяет усилия. Эскизы прикрепленных изображений -------------------- Андрей SPORTAGE Кореец 1995г., доресталинг, короткий, MPI-SOHC, 8 V, 95 л.с., цвет - вишня, МКП, газовое оборудование OMVL SAVER-4.
|
| RuBiker |
Nov 1 2015, 05:40 PM
Сообщение
#1793
|
![]() грязелюбитель ![]() ![]() ![]() Группа: завсегдатый Сообщений: 104 Регистрация: 23-January 11 Пользователь №: 9,010 место дислокации: Архангельск |
Снимите барабан и сфотографируйте то как Вы тормозные цилиндры вместо тормозных колодок поставили. А мы посмотрим и по дружески подскажем - может там нужно кое, что кувалдочкой подправить. Фото тормозного механизма. Заменил все сайлент блоки в задней подвеске. Эскизы прикрепленных изображений |
| myxalov6 |
Nov 1 2015, 06:04 PM
Сообщение
#1794
|
![]() гряземяситель ![]() ![]() ![]() ![]() ![]() Группа: завсегдатый Сообщений: 442 Регистрация: 7-August 12 Из: Армавир Краснодарского края Пользователь №: 10,878 место дислокации: Армавир Краснодарского края |
Колдуна нет. Есть так называемый обратный клапан системы. Не знаю его истинное назначение и принцип работы. Судя по названию он не разделяет усилия. я эту приблуду выкинул и появились задние тормоза. -------------------- 1994г. MPI-DOHC. МКПП линзы morimoto mini h1.
Maxxis MT-764 BIGHORN 235/75 R15 ГБО BRC |
| Ермыч |
Nov 1 2015, 07:11 PM
Сообщение
#1795
|
![]() властелин грязи ![]() ![]() ![]() ![]() ![]() ![]() ![]() ![]() ![]() ![]() Группа: завсегдатый Сообщений: 2,999 Регистрация: 17-December 13 Пользователь №: 12,754 место дислокации: Брянск |
я эту приблуду выкинул и появились задние тормоза. Ну, что значит "выкинул"? Просто трубки соединил между собой? А каким образом - нужно тогда крестовину какую то вытачивать под штуцера трубок, или просто внутренности из этой убирать? На ней же ещё датчик тормозной стоит. Фото тормозного механизма. Заменил все сайлент блоки в задней подвеске. Простите, а Вы сами можете разобрать, что там на этой фотографии изображено? Еле контуры деталей вырисовываются. Ну какой смысл вообще размещать фотографию с такой резкостью изображения? Ничего не видно - не понятно как там рычаг подводки в зацепление с гайкой входит, к чему пружина рычага крепится. -------------------- Андрей SPORTAGE Кореец 1995г., доресталинг, короткий, MPI-SOHC, 8 V, 95 л.с., цвет - вишня, МКП, газовое оборудование OMVL SAVER-4.
|
| lutohinai |
Nov 1 2015, 08:06 PM
Сообщение
#1796
|
![]() Обитатель грязи! ![]() ![]() ![]() ![]() ![]() ![]() ![]() Группа: завсегдатый Сообщений: 870 Регистрация: 6-December 09 Из: Луховицы Пользователь №: 6,988 место дислокации: мос. обл. Луховицы |
Фото тормозного механизма. Заменил все сайлент блоки в задней подвеске. Механизм ручника должен быть внутрь, а у вас снаружи -------------------- американец 2002 5MT4WD, лифт спереди 3 см проставка, сзади 6 см
лето: _____ _____Nokian Rotiiva AT на дисках RW classic H-409 ET0 зима: _____Cordiant Tunga Nordway 235/75/15 на дисках Nitro Y-7330 ET0 Хабы Риф ![]() ![]() |
| Ден2 |
Nov 1 2015, 09:55 PM
Сообщение
#1797
|
![]() Обитатель грязи! ![]() ![]() ![]() ![]() ![]() ![]() ![]() Группа: завсегдатый Сообщений: 778 Регистрация: 2-June 13 Из: Белгород Пользователь №: 12,080 место дислокации: Белгород |
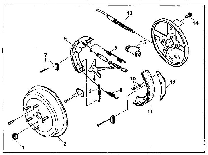
Мда)) Собрано неправильно, и вместо "солдатиков" какое-то г влеплено. Потрать 50р, купи комплект Волговских, идеально подходят, и устроены лучше оригинальных.
Схема сборки тормозного механизма есть в легионовской книге. Я когда машину купил, тоже пересобирал всё заново, у меня из-за неправильной сборки предхозом ещё и периодически заклинивало колодки в разжатом положении. Эскизы прикрепленных изображений -------------------- 1996 DOHС AT, ГБО Stagg 4
|
| RuBiker |
Nov 3 2015, 11:51 AM
Сообщение
#1798
|
![]() грязелюбитель ![]() ![]() ![]() Группа: завсегдатый Сообщений: 104 Регистрация: 23-January 11 Пользователь №: 9,010 место дислокации: Архангельск |
Мда)) Собрано неправильно, и вместо "солдатиков" какое-то г влеплено. Потрать 50р, купи комплект Волговских, идеально подходят, и устроены лучше оригинальных. Схема сборки тормозного механизма есть в легионовской книге. Я когда машину купил, тоже пересобирал всё заново, у меня из-за неправильной сборки предхозом ещё и периодически заклинивало колодки в разжатом положении. Тормозной механизм собрал по рисунку, в общем теперь звук присутствует и просто при езде, грешу на подшипник ступицы, отчетливо слышно если на ходу выполняя змейку при левом повороте. Какой подшипник менять? |
| Ермыч |
Nov 3 2015, 12:38 PM
Сообщение
#1799
|
![]() властелин грязи ![]() ![]() ![]() ![]() ![]() ![]() ![]() ![]() ![]() ![]() Группа: завсегдатый Сообщений: 2,999 Регистрация: 17-December 13 Пользователь №: 12,754 место дислокации: Брянск |
Тормозной механизм собрал по рисунку, в общем теперь звук присутствует и просто при езде, грешу на подшипник ступицы, отчетливо слышно если на ходу выполняя змейку при левом повороте. Какой подшипник менять? Оба. И ещё по два сальника на каждом. -------------------- Андрей SPORTAGE Кореец 1995г., доресталинг, короткий, MPI-SOHC, 8 V, 95 л.с., цвет - вишня, МКП, газовое оборудование OMVL SAVER-4.
|
| RuBiker |
Nov 3 2015, 01:08 PM
Сообщение
#1800
|
![]() грязелюбитель ![]() ![]() ![]() Группа: завсегдатый Сообщений: 104 Регистрация: 23-January 11 Пользователь №: 9,010 место дислокации: Архангельск |
|
![]() ![]() |
| Текстовая версия | Сейчас: 31st December 2025 - 06:18 AM |
|
|
|
|
|
|
| Invision Power Board Default Green Skin by Professional n00b |