|
Sportage Club - - дом, где живут Kia Sportage основан в 2006г. |
Внимание! В целях борьбы со спамом, новые пользователи НЕ могут начинать новые темы в форуме. Поэтому просьба задавать вопросы в уже существующих ветках, схожих по тематике. Надеемся на Ваше понимание.

Здравствуйте, гость ( Вход | Регистрация )
|
Индивидуальный подход, запчасти гарантированного качества, многолетний опыт, никакого официоза - дружеская атмосфера! |
Обновление программного обеспечения блока управления двигателем, добавит лошадей, крутящего момента, снизит расход. |
Чистые форсунки - залог хорошей работы двигателя. Мы проверяем и промываем форсунки на профессиональном стенде. |
![]() ![]() |
| Rager |
Jun 23 2007, 08:55 PM
Сообщение
#1
|
![]() Всепроходимец ![]() ![]() Группа: завсегдатый Сообщений: 74 Регистрация: 4-June 07 Пользователь №: 2,760 место дислокации: Смоленск |
Горела лампочка "Смени двигатель", съездил на диагностику - сказали менять лямбду. Поменял на десяточную. Родная на Экзисте стоит порядка 3000, десяточная - 880. Как говориться, почувствуйте разницу.
Правда, есть нюанс - в десяточной четыре вывода, в родной - три. Колодки, ессно, разные. Обкусил обе, родную колодку прикрутил к проводам от десяточной. Распиновку (A, B, C, D) смотрел по книге: A и B - нагреватель (два белых провода), С - сам датчик (черный провод). Серый провод (четвертый контакт на десяточной) сначала никуда не прикручивал, покатался день - лампочка не погасла. Потом прикрутил к массе, лампочка гореть перестала. А теперь пара вопросов: 1. Как сильно влияет лямбда на расход топлива? 2. Должно ли как-то измениться поведение движка? Сообщение отредактировал Rager - Jun 23 2007, 08:56 PM |
| DimTs |
Jun 23 2007, 10:13 PM
Сообщение
#2
|
![]() Всезнающий Незнайка ![]() ![]() ![]() ![]() ![]() ![]() ![]() ![]() ![]() ![]() Группа: завсегдатый Сообщений: 2,060 Регистрация: 7-May 07 Из: Смоленск Пользователь №: 2,691 место дислокации: Смоленск |
http://www.kia-club.ru/index.php?faq_num=215&id=104&i=1 -
-------------------- Автомобиль , собранный из неоригинальных запчастей - представляет из себя оригинальный китайский автомобиль.
|
| Rager |
Jun 23 2007, 11:37 PM
Сообщение
#3
|
![]() Всепроходимец ![]() ![]() Группа: завсегдатый Сообщений: 74 Регистрация: 4-June 07 Пользователь №: 2,760 место дислокации: Смоленск |
Мне про лямбду от десятки сказал диагност в Автоспорте. Решил поменять, потому что по последним замерам расход по городу - 15.7 литра. Многовато! |
| DimTs |
Jun 24 2007, 09:59 PM
Сообщение
#4
|
![]() Всезнающий Незнайка ![]() ![]() ![]() ![]() ![]() ![]() ![]() ![]() ![]() ![]() Группа: завсегдатый Сообщений: 2,060 Регистрация: 7-May 07 Из: Смоленск Пользователь №: 2,691 место дислокации: Смоленск |
Мне про лямбду от десятки сказал диагност в Автоспорте. Решил поменять, потому что по последним замерам расход по городу - 15.7 литра. Многовато! У мня тож около 15 л выходит в городе. Это с кондеем и привычками от Сефии держать обороты 2500-3000. -------------------- Автомобиль , собранный из неоригинальных запчастей - представляет из себя оригинальный китайский автомобиль.
|
| Алексей Ч. |
Aug 15 2007, 03:13 PM
Сообщение
#5
|
![]() грязелюбитель ![]() ![]() ![]() Группа: завсегдатый Сообщений: 102 Регистрация: 3-August 07 Из: Пенза Пользователь №: 2,956 место дислокации: Пенза |
Пардон, а что "датчик кислорода" и "лямда" это одна и та же деталь?
З.Ы. У меня тоже под 15 л на сотню, режим 3000 об+кондей. -------------------- Sportаge JА;, 2001 год, МКПП, двигатель DOНC 2л, 4WD
|
| BFGoodrich |
Aug 15 2007, 03:42 PM
Сообщение
#6
|
![]() не предатель Группа: завсегдатый Сообщений: 3,181 Регистрация: 25-July 07 Из: Москва Пользователь №: 2,931 место дислокации: Москва ЮВАО Люблино |
Пардон, а что "датчик кислорода" и "лямда" это одна и та же деталь? . Одно и тоже. -------------------- |
| Aleksey |
Sep 19 2007, 04:18 PM
Сообщение
#7
|
![]() 4х4 ![]() Группа: завсегдатый Сообщений: 29 Регистрация: 19-September 07 Пользователь №: 3,204 место дислокации: чЕЛЯбИНСК |
Пошел покупать ЛЯМбДУ от 10ки чтобы воткнуть в Спортаж 94 г.в., оказалось, что есть на 8-клапанную и на 16-кл, отличаются наконечниками, а посадочные вроде одинаковые. Какой выбор сделать?
|
| BFGoodrich |
Sep 19 2007, 09:55 PM
Сообщение
#8
|
![]() не предатель Группа: завсегдатый Сообщений: 3,181 Регистрация: 25-July 07 Из: Москва Пользователь №: 2,931 место дислокации: Москва ЮВАО Люблино |
Пошел покупать ЛЯМбДУ от 10ки чтобы воткнуть в Спортаж 94 г.в., оказалось, что есть на 8-клапанную и на 16-кл, отличаются наконечниками, а посадочные вроде одинаковые. Какой выбор сделать? Думаю ,если 8 кл то от 8кл.,если 16 то от 16. -------------------- |
| Aleksey |
Sep 20 2007, 08:20 AM
Сообщение
#9
|
![]() 4х4 ![]() Группа: завсегдатый Сообщений: 29 Регистрация: 19-September 07 Пользователь №: 3,204 место дислокации: чЕЛЯбИНСК |
ещё вопрос:
внешний осмотр показал, что к лямбде трудно подобраться, видимо придется на подъемнике снизу пробовать менять, лучше на горячую или на холодную выкручивать - ощущение такое что там всё прикипело намертво :-( |
| kostetik |
Sep 21 2007, 10:02 AM
Сообщение
#10
|
![]() шахтер-кольцевик ![]() ![]() ![]() ![]() ![]() ![]() ![]() ![]() ![]() ![]() Группа: завсегдатый Сообщений: 2,599 Регистрация: 8-February 06 Из: Москва,и обл. Пользователь №: 1,311 место дислокации: м.Сокол |
конечно с низу! то что прикипело это только кажется....а откручивать лучше на холодную безопаснее...предварительно разьемы рызьединив.
-------------------- Don't drink in говны end драйв!
|
| Aleksey |
Sep 24 2007, 08:49 AM
Сообщение
#11
|
![]() 4х4 ![]() Группа: завсегдатый Сообщений: 29 Регистрация: 19-September 07 Пользователь №: 3,204 место дислокации: чЕЛЯбИНСК |
Всё-таки открутить лямбду оказалось не так легко, пришлось снять патрубок с выпускного коллектора, при этом срезалось 2 шпильки :-(
Запустил двигатель, прямо без патрубка и лямбды - чек не загорелся: это так и должно быть??? И ещё вопрос про катализатор (или чё там :-)) - посветил фонариком внутрь, содержимое, а точнее его почти полное отсутствие удивило - на весь объем пустота, только в самом дальнем конце металлическая сетка и ВСЁ. Это типа пламягасителя? Может стоит ее полностью ликвидировать или глушак гореть начнет? |
| Peternik |
Sep 25 2007, 08:26 AM
Сообщение
#12
|
|
грязелюбитель ![]() ![]() ![]() Группа: завсегдатый Сообщений: 123 Регистрация: 28-September 06 Пользователь №: 1,893 |
Всё-таки открутить лямбду оказалось не так легко, пришлось снять патрубок с выпускного коллектора, при этом срезалось 2 шпильки :-( Запустил двигатель, прямо без патрубка и лямбды - чек не загорелся: это так и должно быть??? И ещё вопрос про катализатор (или чё там :-)) - посветил фонариком внутрь, содержимое, а точнее его почти полное отсутствие удивило - на весь объем пустота, только в самом дальнем конце металлическая сетка и ВСЁ. Это типа пламягасителя? Может стоит ее полностью ликвидировать или глушак гореть начнет? чек загорится после прогрева двигателя и проехать немного надо лучше вварить среднюю часть от какого нибудь глушака шума меньше будет |
| Aleksey |
Sep 25 2007, 09:41 AM
Сообщение
#13
|
![]() 4х4 ![]() Группа: завсегдатый Сообщений: 29 Регистрация: 19-September 07 Пользователь №: 3,204 место дислокации: чЕЛЯбИНСК |
ну уже надеюсь что не загорится - перепаял, поставил 10шную... а среднюю часть обязательно варить или есть шанс найти конструктив, чтоб на болты посадить?
|
| Rager |
Sep 27 2007, 10:20 PM
Сообщение
#14
|
![]() Всепроходимец ![]() ![]() Группа: завсегдатый Сообщений: 74 Регистрация: 4-June 07 Пользователь №: 2,760 место дислокации: Смоленск |
ну уже надеюсь что не загорится - перепаял, поставил 10шную... а среднюю часть обязательно варить или есть шанс найти конструктив, чтоб на болты посадить? Обращался к гаражным умельцам, чтобы вварили вместо ката так называемую "турбинку". Она выглядит как две коаксиальные трубы - внешняя сплошная, внутренняя с крупными заусенцами, типа как тёрка для овощей. Гаражный умелец утверждал, что этот чудо-артефакт дает +200 очков мощности, +100 очков экономии бензина, +50 очков проходимости по грязи, невидимость для радаров, бесконечные патроны и бессмертие. На самом деле чуда, конечно, не произошло. Только движок стал работать ровнее и немного тише. Расход остался на прежнем уровне - 15-17 л по городу без кондея. Кстати, турбинка вваривается между двумя фланцами ката - так что можно при необходимости весь выпускной тракт развинтить как и положено, без применения болгарки или сварки. |
| PavelM |
Sep 28 2007, 12:09 PM
Сообщение
#15
|
![]() грязелюбитель ![]() ![]() ![]() Группа: завсегдатый Сообщений: 134 Регистрация: 23-April 07 Из: Томск Пользователь №: 2,662 место дислокации: Томск |
После того как сломали глушак, набрал разных труб от УАЗа + волговская банка. 900р з/части, 1500 работа меняли все от резонатора. Результат все прикручивается болтами и отечественный глушитель на случай прогорания. В добавок волговская банка ниже , поэтому относительно земли вся выпускная система оказалась значительно выше.
|
| Mishael |
Jun 15 2008, 02:35 PM
Сообщение
#16
|
![]() гряземяситель ![]() ![]() ![]() ![]() ![]() Группа: завсегдатый Сообщений: 476 Регистрация: 25-May 08 Пользователь №: 5,334 место дислокации: Nizhniy Novgorod |
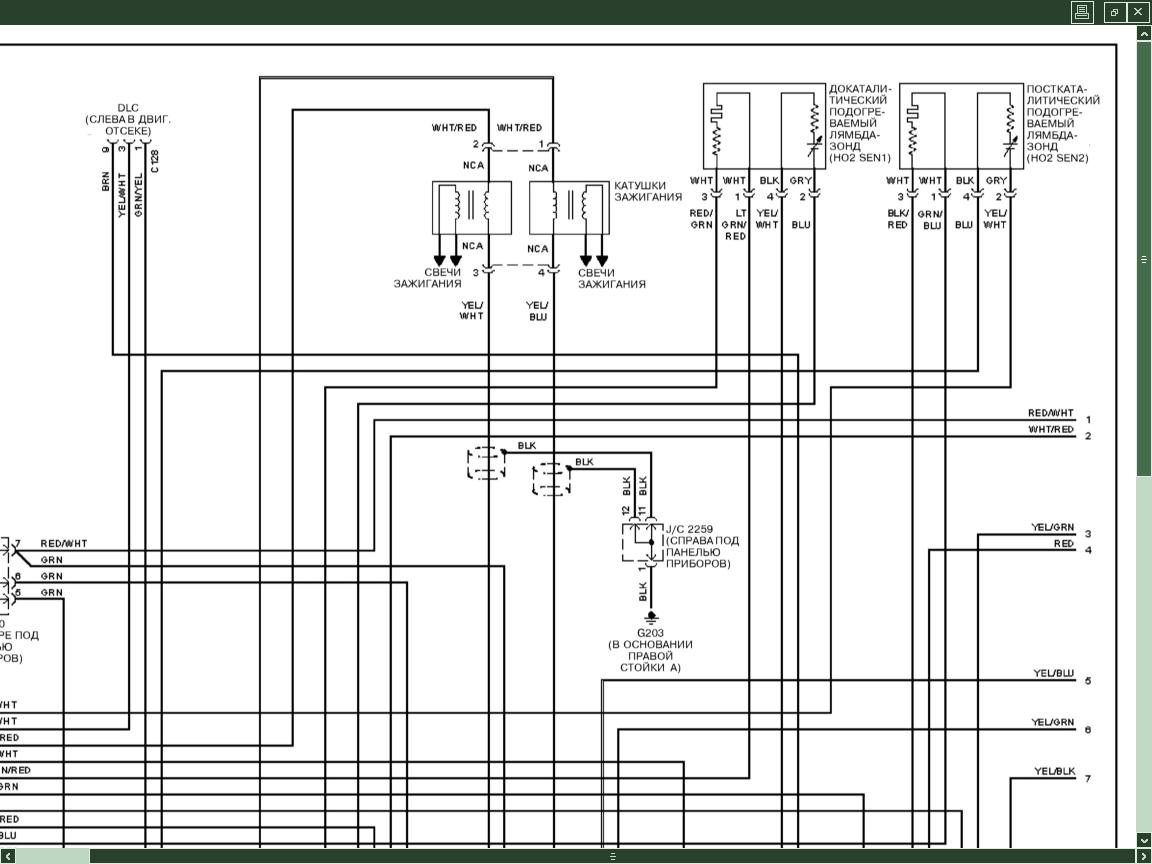
вот что то не догнал я с лямбдой, не занаю как в реале, но по схеме их 2(две) и обе 4(четырех)проводные!!! почему у всех три, а у меня четыре провода??
Эскизы прикрепленных изображений -------------------- Sportаge
2.0i 5мкпп Калининград |
| vl@d |
Jun 15 2008, 10:39 PM
Сообщение
#17
|
![]() всеходящий ![]() ![]() ![]() ![]() ![]() ![]() ![]() ![]() ![]() ![]() Группа: завсегдатый Сообщений: 1,664 Регистрация: 5-November 07 Пользователь №: 3,605 место дислокации: Москва, марьино |
Mishael
и в реале и есть два, а количество проводов зависит от года, у меня тоже 4-х проводные -------------------- |
| Виктор |
Jun 16 2008, 09:36 AM
Сообщение
#18
|
![]() вне рангов Группа: завсегдатый Сообщений: 5,563 Регистрация: 27-August 07 Пользователь №: 3,072 место дислокации: Беларусь |
вот что то не догнал я с лямбдой, не занаю как в реале, но по схеме их 2(две) и обе 4(четырех)проводные!!! почему у всех три, а у меня четыре провода?? Надо смотреть какие и сколько стоят реально. Возможны варианты. Все дело в сером проводе и вариантах исполнения лямбды. В одном варианте он соединен с корпусом лямбды (внутри) и может не подключаться к массе авто, в другом - не соединен с корпусом лямбды. В этом случае серый провод обязательно подключить к массе авто. -------------------- Был 98г. 2.0 DOHC, бензин, МКПП
сейчас VW T5 Caravelle, 2008г., 2,0 бензин, МКПП |
| Voyager |
Jun 16 2008, 02:00 PM
Сообщение
#19
|
![]() Всепроходимец ![]() ![]() Группа: завсегдатый Сообщений: 88 Регистрация: 13-September 07 Из: Минск Пользователь №: 3,162 место дислокации: Минск |
Всем привет.
Sportage 2001г Grand (KNEJA563515077347) на газу. Загорелся чек. Диагностика показала ошибку лямбды. (Сам видел на ноутбуке, пока мастер регулировал карты для мозгов ГБО, график срабатывания лямбды. Должен быть график волнообразный, а у моей - график иногда "залипал" в максимальной точке.) Со слов диагноста, можно просто "забить" и ездить дальше, можно ездить к ним и за 20$ скидывать ошибку (чем вызвал у меня улыбку), можно менять... Покурил форумы и интернет, нашёл Bosch 0 258 003 461 это замена штатной KIA 0 K996 18 861. Нашёл так же Bosсh 0 258 986 502 и 0 258 003 704. Теперь вопрос: что из перечисленного Bosch-евского подойдёт? Этот вопрос возникает по причине наличия нескольких вариантов от Bosch. Народ пишет про жигулёвский аналог...Кто может сказать маркировку десяточной лямбды, что бы пойти в магазин и, назвав артикул, её купить. Спасибо. |
| BFGoodrich |
Jun 16 2008, 02:03 PM
Сообщение
#20
|
![]() не предатель Группа: завсегдатый Сообщений: 3,181 Регистрация: 25-July 07 Из: Москва Пользователь №: 2,931 место дислокации: Москва ЮВАО Люблино |
Думаю так,пришёл в магазин,сказал,мне надо лямбду на 16 кл.десятку и всё.
например так http://www.kemp1.ru/prices/inf/180834.html -------------------- |
![]() ![]() |
| Текстовая версия | Сейчас: 16th January 2026 - 12:29 PM |
|
|
|
|
|
|
| Invision Power Board Default Green Skin by Professional n00b |